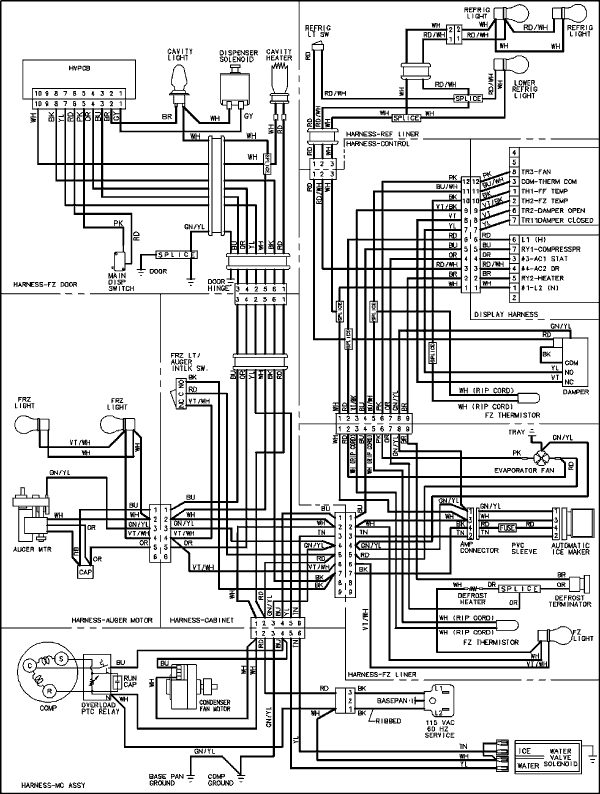
MSD2357HEQ 18 – WIRING INFORMATIONadmin2025-04-26T13:08:58+00:00MSD2357HEQ 18 – WIRING INFORMATION ProductsPositionProductNIMAY 15003598