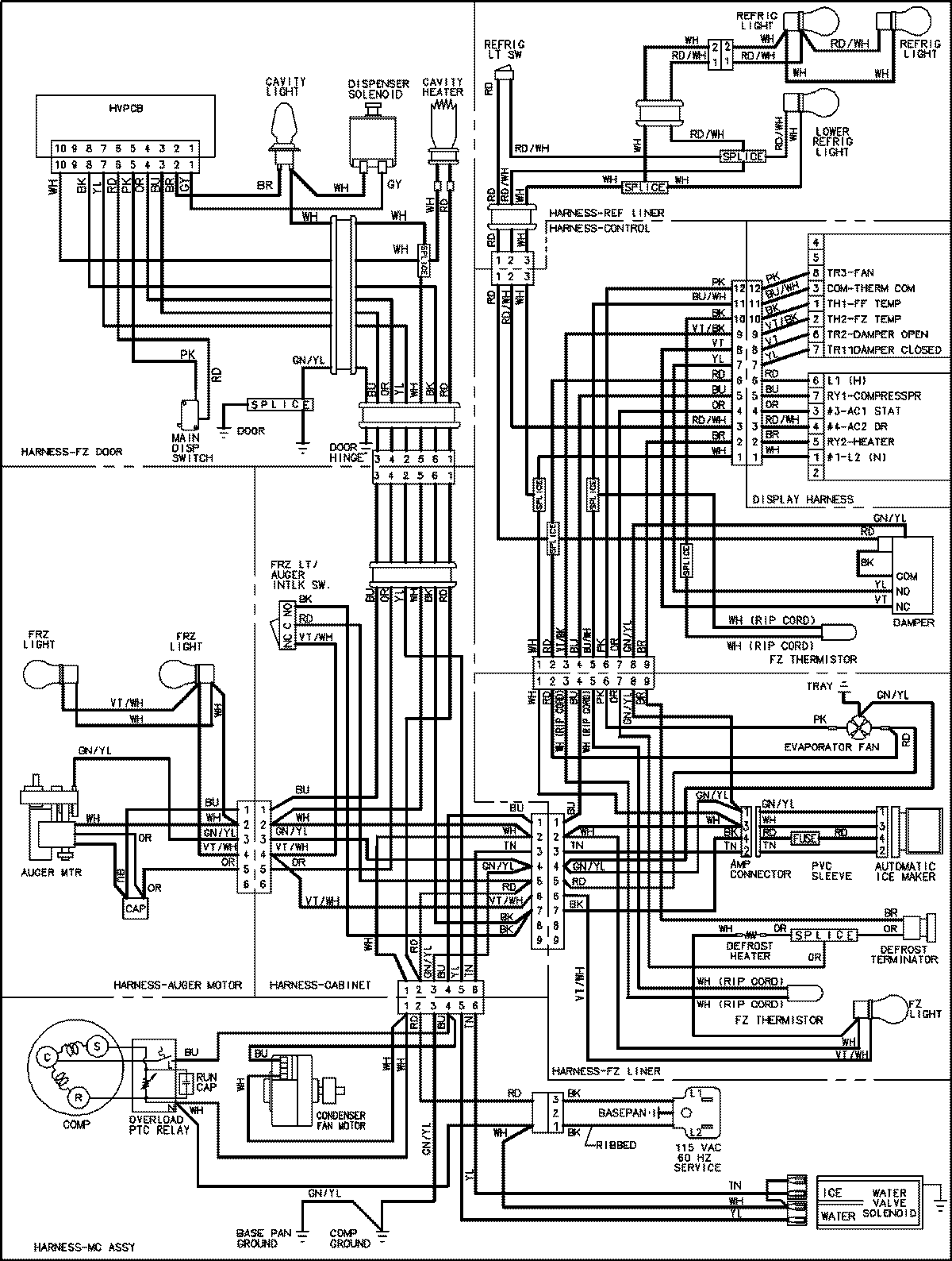
MSD2357HEW 18 – WIRING INFORMATIONadmin2025-04-26T13:09:49+00:00MSD2357HEW 18 – WIRING INFORMATION ProductsPositionProductNIMAY 15003598