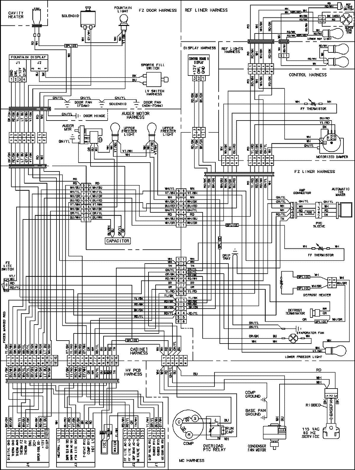
MSD2359KEB 18 – WIRING INFORMATIONadmin2025-04-26T13:07:44+00:00MSD2359KEB 18 – WIRING INFORMATION ProductsPositionProductNIMAY 15003679