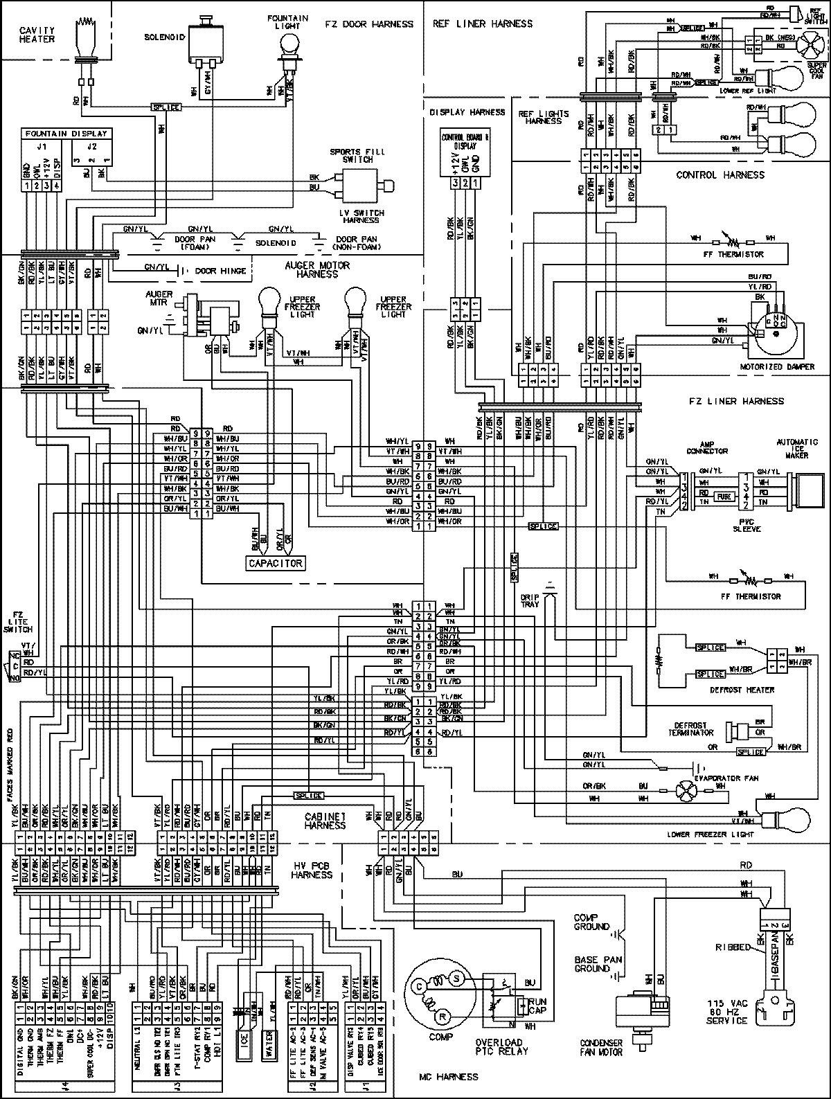
MSD2359KES 18 – WIRING INFORMATIONadmin2025-04-26T13:08:36+00:00MSD2359KES 18 – WIRING INFORMATION ProductsPositionProductNIMAY 15003679