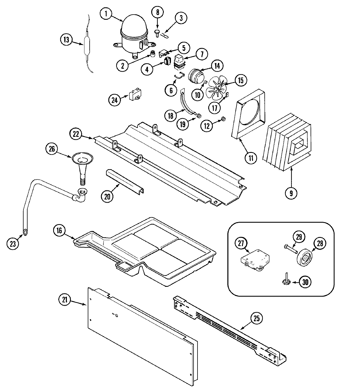
MSD2554ARA 01 – COMPRESSORadmin2025-04-26T13:10:45+00:00MSD2554ARA 01 – COMPRESSOR ProductsPositionProduct1W10309995 Whirlpool Refrigerator Compressor1MAY 120014861MAY 610022232MAY 17245-43MAY 610030994WP10097204 Whirlpool Start Relay4W10920279 Whirlpool Refrigerator Start Relay5WP61006295 Whirlpool Refrigerator Overload5MAY 610017856MAY 65886-17WP61002138 Whirlpool Refrigerator Terminal Cover7MAY 66589-18MAY 52656-29MAY 6100313010MAY 6100168611MAY 6100194112MAY 6100203313WPW10143759 Whirlpool Dryer Filter14MAY 6100156214MAY 65275-3315MAY 60683-116MAY 6100264917WP486692 Whirlpool Refrigerator Nut18MAY 69181-119MAY 56933-120MAY 6100197421MAY 65275-521MAY 6100337022MAY 6100337122WP67006715 Whirlpool Refrigerator Screw23MAY 6100313324MAY 6100213724WP489478 Whirlpool Refrigerator Screw24WP65889-4 Whirlpool Refrigerator Capacitor25MAY 6100406525WP8281227 Whirlpool Screw26MAY 6100475127SCREW27MAY 6100206628MAY 6100210329WP61002104 Whirlpool Refrigerator Pin Wheel30MAY 6100201431MAY 1600910932MAY 16009103