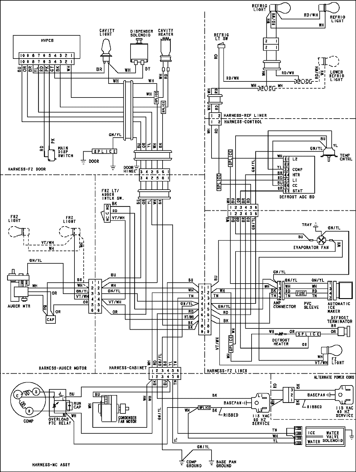
MSD2641KES 18 – WIRING INFORMATIONadmin2025-04-26T13:12:50+00:00MSD2641KES 18 – WIRING INFORMATION ProductsPositionProductNIMAY 15003928