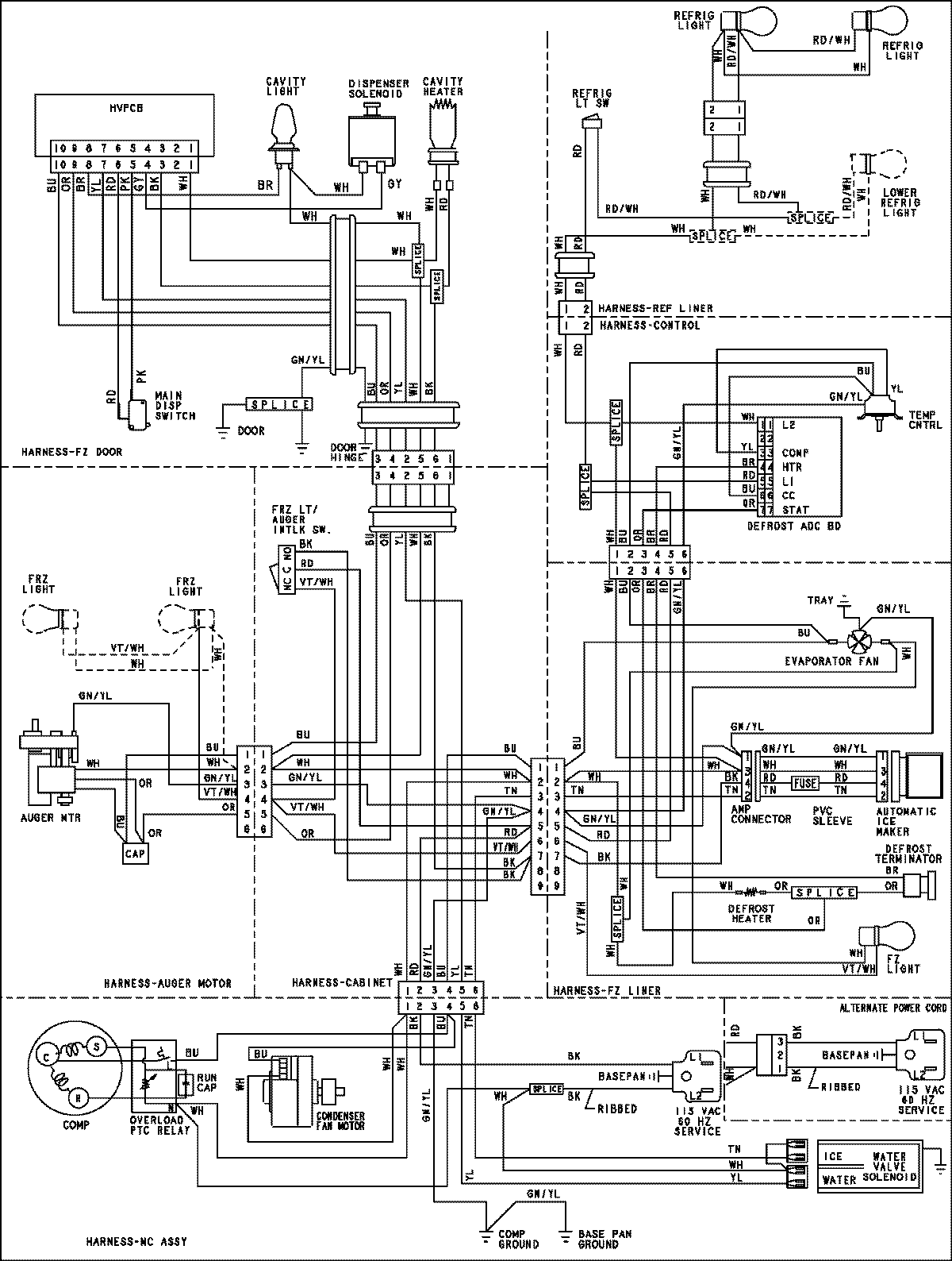
MSD2641KEU 18 – WIRING INFORMATIONadmin2025-04-26T13:13:01+00:00MSD2641KEU 18 – WIRING INFORMATION ProductsPositionProductNIMAY 15003928