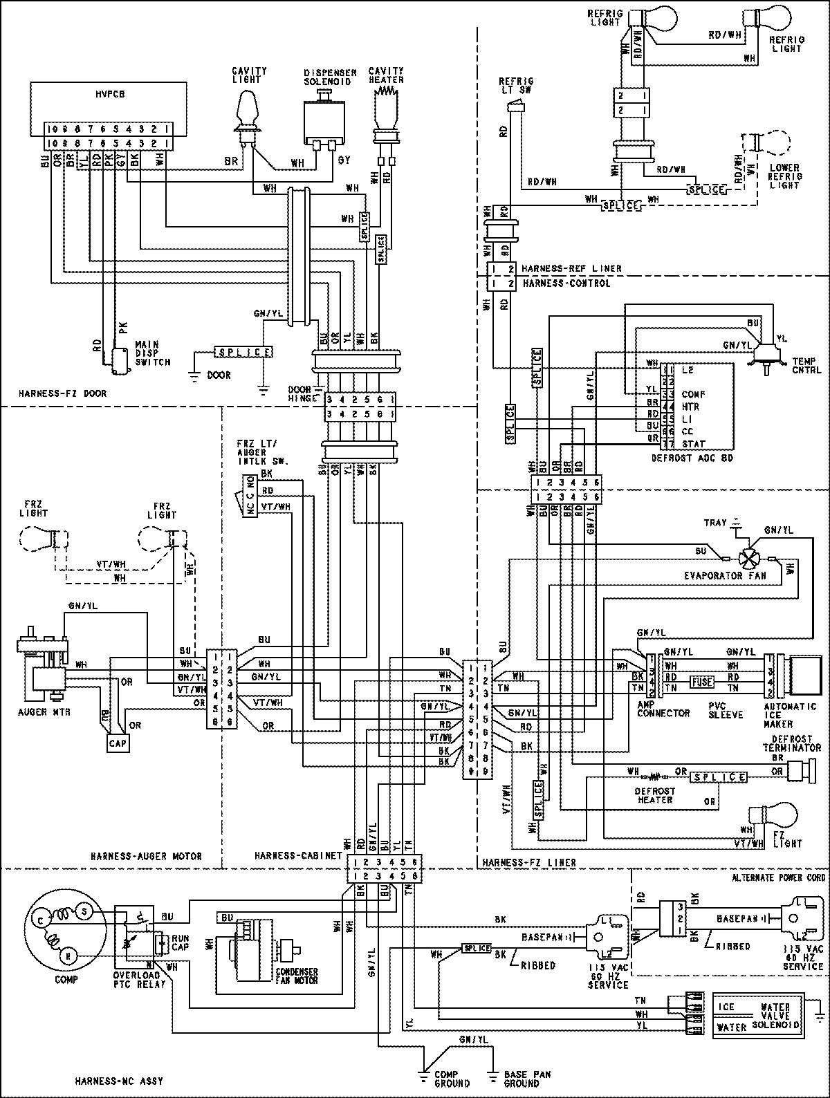
MSD2652KES 18 – WIRING INFORMATIONadmin2025-04-26T11:32:34+00:00MSD2652KES 18 – WIRING INFORMATION ProductsPositionProductNIMAY 15003928