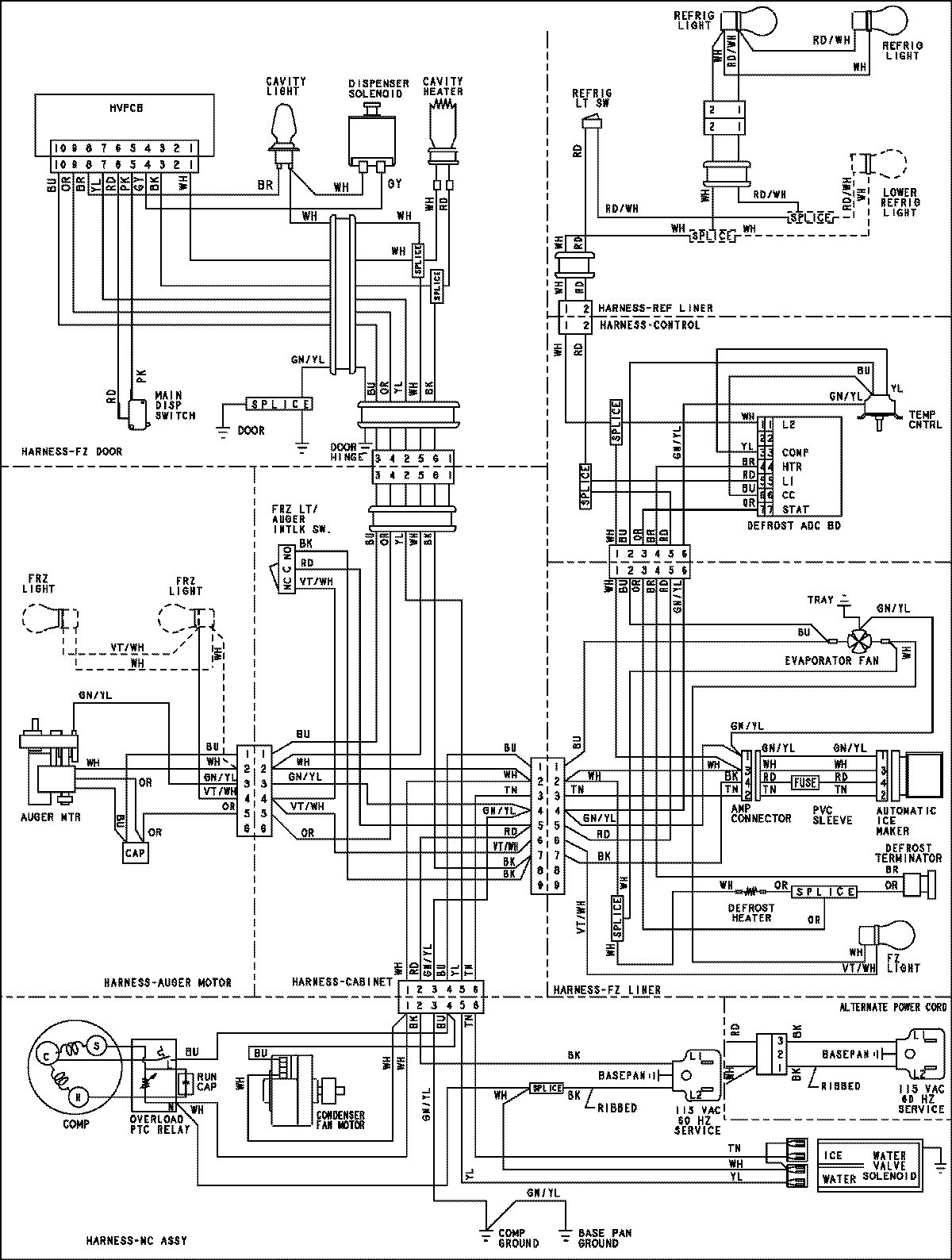
MSD2652KEU 18 – WIRING INFORMATIONadmin2025-04-26T13:12:12+00:00MSD2652KEU 18 – WIRING INFORMATION ProductsPositionProductNIMAY 15003928