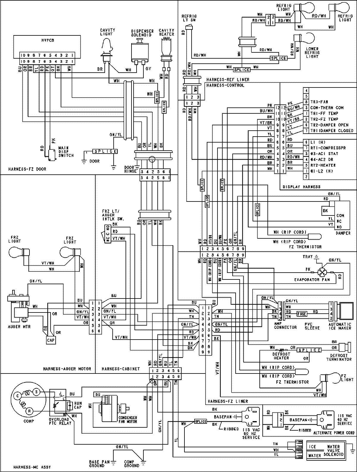
MSD2656KGB 18 – WIRING INFORMATIONadmin2025-04-26T11:32:52+00:00MSD2656KGB 18 – WIRING INFORMATION ProductsPositionProductNIMAY 15003947