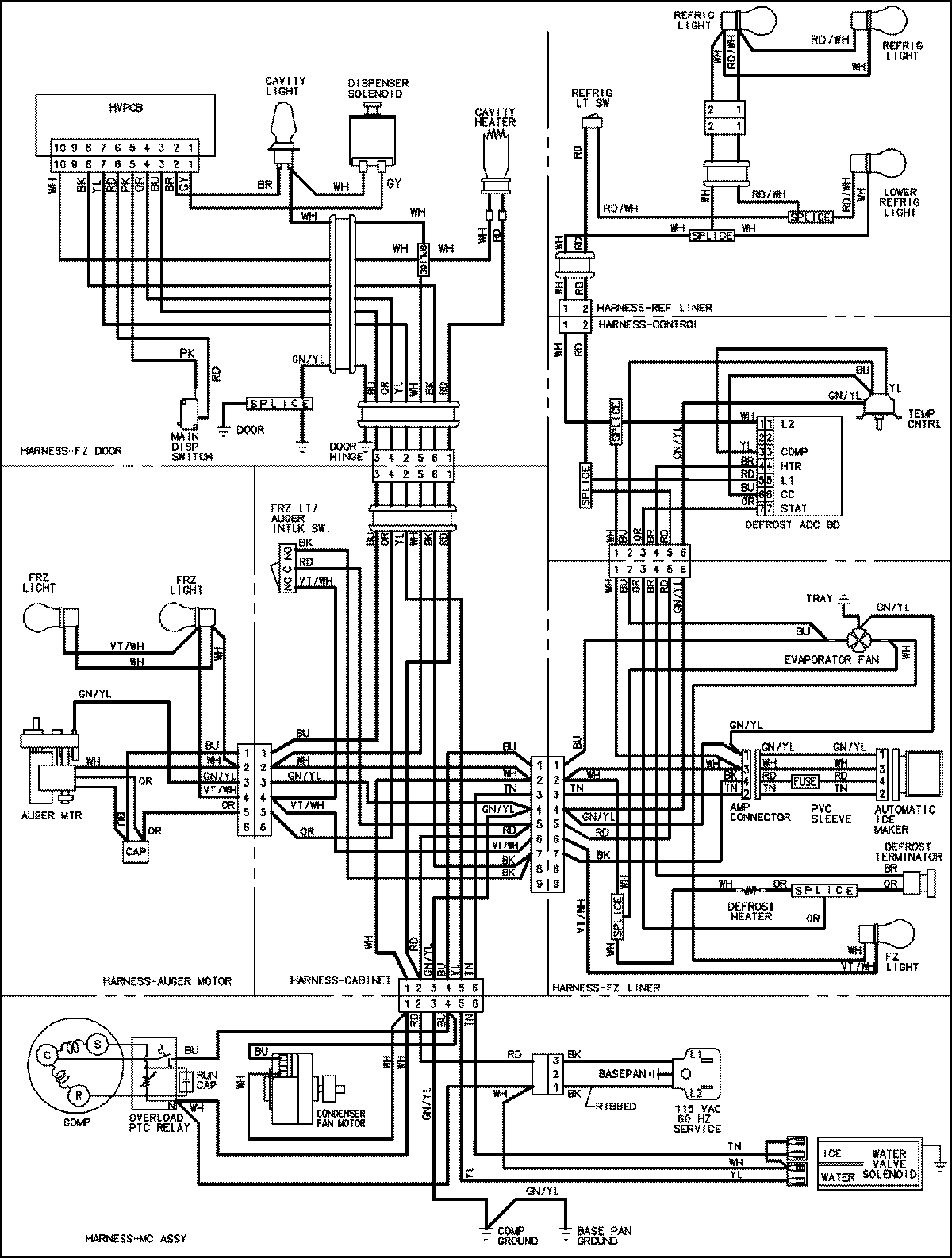
MSD265MHEQ 18 – WIRING INFORMATIONadmin2025-04-26T11:32:51+00:00MSD265MHEQ 18 – WIRING INFORMATION ProductsPositionProductNIMAY 15003523