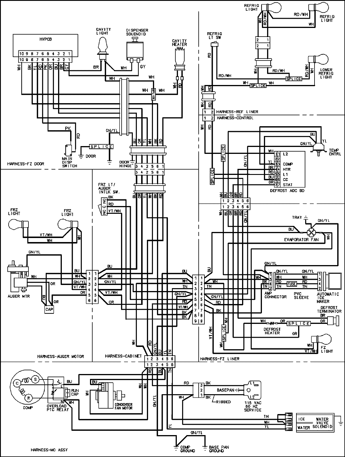
MSD265MHEW 18 – WIRING INFORMATIONadmin2025-04-26T11:31:47+00:00MSD265MHEW 18 – WIRING INFORMATION ProductsPositionProductNIMAY 15003523