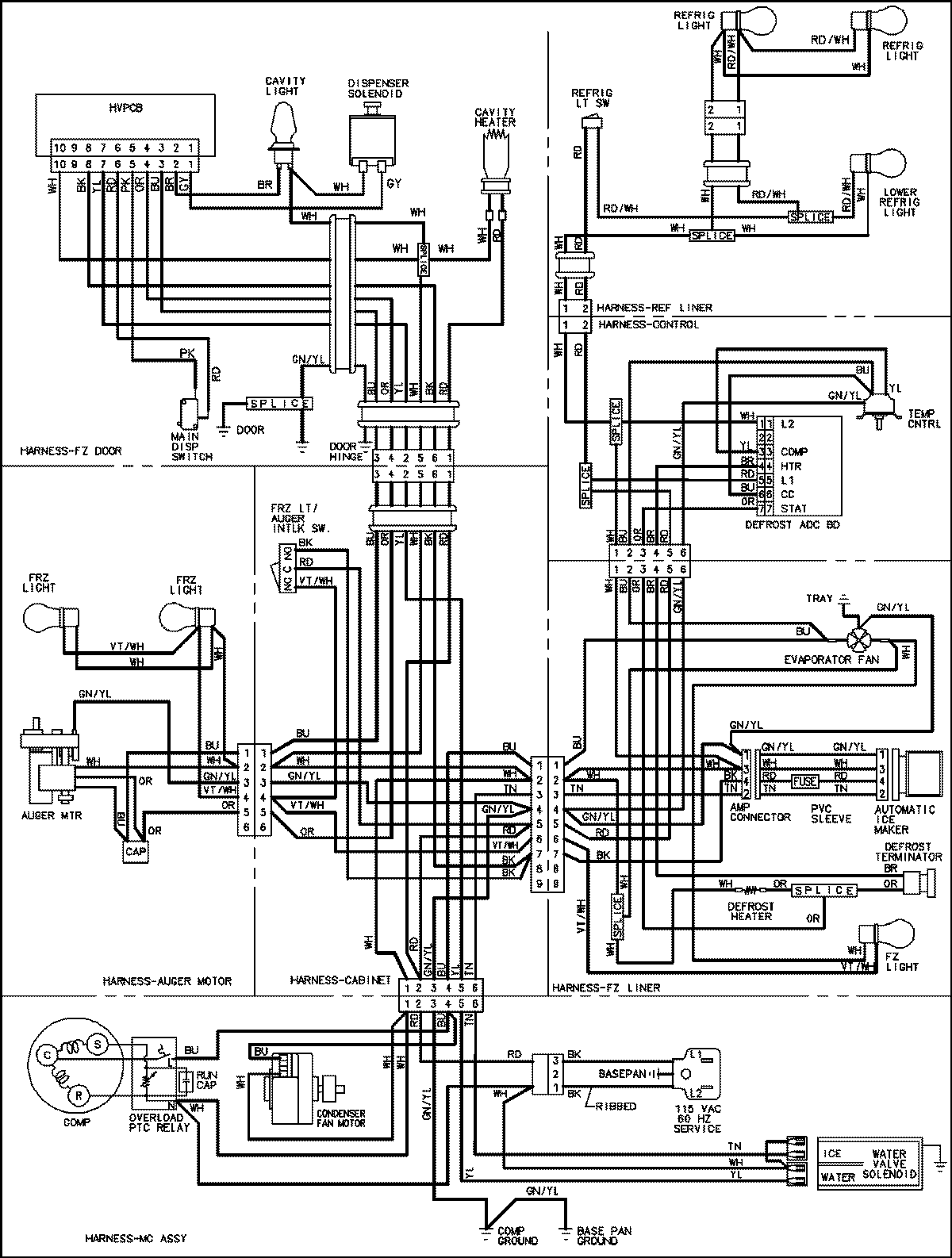
MSD265RHEB 18 – WIRING INFORMATIONadmin2025-04-26T11:31:49+00:00MSD265RHEB 18 – WIRING INFORMATION ProductsPositionProductNIMAY 15003523