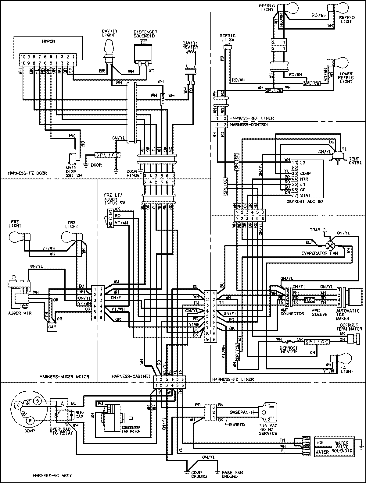
MSD265RHEQ 18 – WIRING INFORMATIONadmin2025-04-26T11:35:22+00:00MSD265RHEQ 18 – WIRING INFORMATION ProductsPositionProductNIMAY 15003523