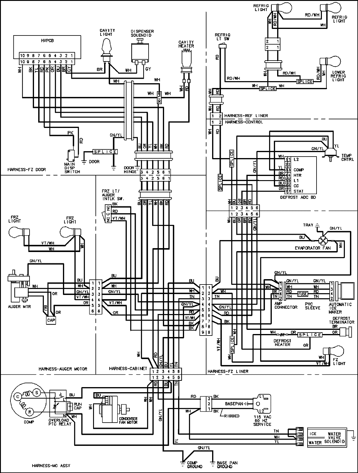
MSD265RHES 18 – WIRING INFORMATIONadmin2025-04-26T11:32:49+00:00MSD265RHES 18 – WIRING INFORMATION ProductsPositionProductNIMAY 15003523