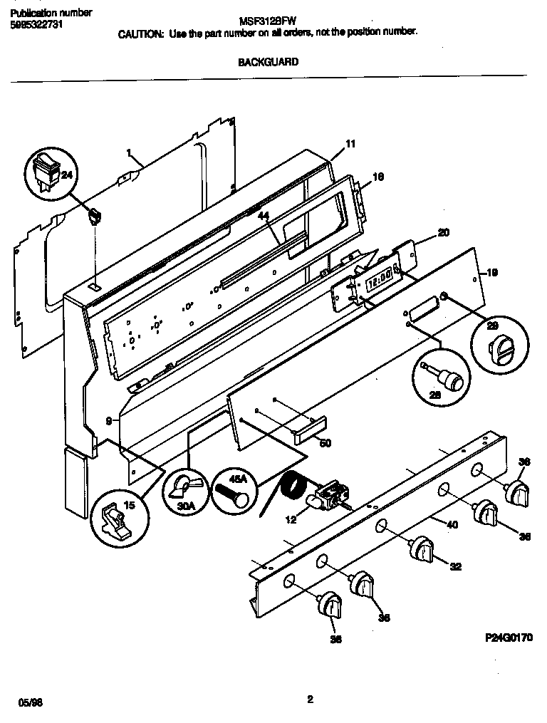
MSF312BFWE 02 – BACKGUARDadmin2025-04-26T09:22:07+00:00MSF312BFWE 02 – BACKGUARD
Products
| Position | Product |
|---|
| *35723 | 316021109 Frigidaire Oven Screw |
| *35722 | Screw,cup pt ,8-18 x 0.375 ,chrome |
| *35724 | Instructions,installation |
| *35726 | SCREW-THERMOSTAT, (2) (NOT ILLUSTRATED) |
| *35721 | WCI 316081303 |
| *35725 | 316112500 Frigidaire Oven Template |
| 1 | SHIELD-BACKGUARD,REAR WALL |
| 9 | WCI 316043501 |
| 11A | Trim,wrapper ,black |
| 11B | WCI 316083715 |
| 12 | WCI 5303935014 |
| 15 | SUPPORT-BACKGUARD,(2) |
| 16 | WCI 316042601 |
| 19 | WCI 316034126 |
| 20 | WCI 316096002 |
| 24 | 5304527841 Frigidaire Oven Rocker Switch (Black) |
| 29A | KNOB-TIMER BUTTON |
| 29B | BUTTON-CLOCK |
| 30 | WCI 316064300 |
| 32 | WCI 316102304 |
| 35 | CAP-LH |
| 35 | CAP-RH |
| 36 | KNOB-TOP VALVE, (4) |
| 40 | WCI 319009214 |
| 42 | WCI 316084300 |
| 44 | WCI 3131468 |
| 45 | WCI 316056902 |
| 50 | WCI 316096900 |