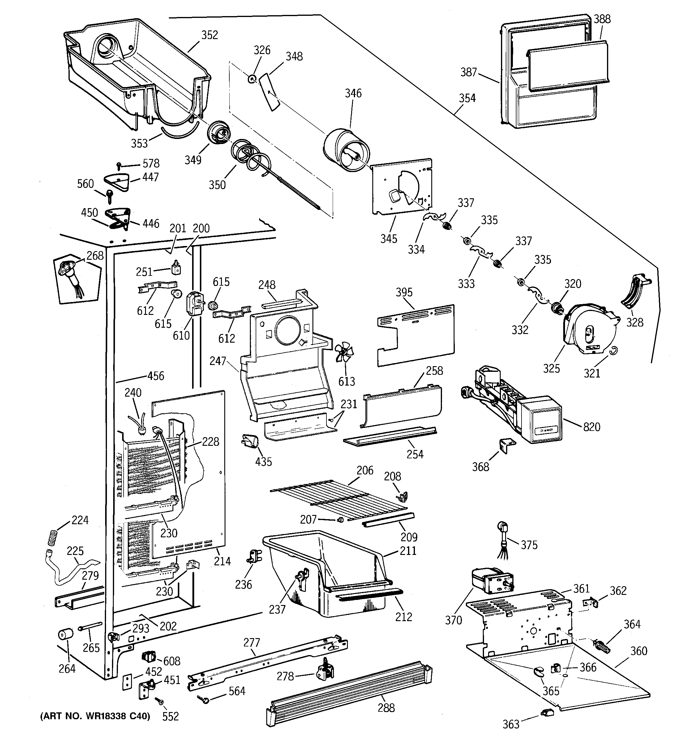
MSG20GWBEWW FREEZER SECTIONadmin2025-04-26T10:01:17+00:00MSG20GWBEWW FREEZER SECTION ProductsPositionProduct200GEN WR40X1741201GEN WR40X1742202GEN WR40X1743206GEN WR71X1888207GEN WR02X4676208GEN WR02X4674209GEN WR38X2217211GEN WR21X0183212GEN WR17X4036214GEN WR14X0455214GEN WR17X4066214GEN WR01X10064224GEN WR02X8657225GEN WR01X5042225GEN WR02X10395228WR87X28949 GE Refrigerator Evaporator230GEN WR02X8671230GEN WR51X10021231GEN WR17X3666231GEN WR01X2110231GEN WR01X1987236GEN WR02X4548237GEN WR02X7036240WR50X122 GE Refrigerator Defrost Bi-metal Thermostat247GEN WR17X3483247GEN WR02X4845248GEN WR14X0272251GEN WR02X2880254GEN WR17X4275258GEN WR17X3484264WR2X3594 GE Refrigerator Wheel265GEN WR02X3595265GEN WR02X4742268GEN WR23X0312277GEN WR17X3117278WHEEL ASM FRT279GEN WR17X10448288GEN WR74X0225293GEN WR02X7080320GEN WR01X1585321GEN WR01X1990325WR17X2061 GE Refrigerator Crush Dispenser326GEN WR01X1991328DEFLECTOR ICE DISP328GEN WR02X9164328GEN WR02X4561332GEN WR17X3740333GEN WR17X3741334GEN WR17X3742335GEN WR02X4139337WR2X4138 GE Refrigerator Spacer345GEN WR17X3728346WR17X4207 GE Refrigerator Front Helix348GEN WR02X7351349WR2X4550 GE Refrigerator Drive Cup350GEN WR17X4341352GEN WR30X0257353WR2X7905 GE Refrigerator Bucket Seal354GEN WR17X4352360GEN WR02X4566360GEN WR71X2510361GEN WR71X10195362GEN WR02X9166363GEN WR02X8952364GEN WR02X7310365GEN WR02X4854366GEN WR01X1547368GEN WR02X8459370GEN WR60X0201375GEN WR23X0416387GEN WR17X10333388WR17X10273 GE Refrigerator Door Ice Storage395GEN WR17X2904435WR02X12207 GE Refrigerator Net Bulb Light435WR2X9014 GE Refrigerator Socket & Terminal C02446GEN WR13X10055447GEN WR02X8262450GEN WR02X4194451WR13X10020 GE Refrigerator Door Hinge Assembly with Cam452SHIM HINGE BTM.456GEN WR40X1747552WR01X10600 GE Refrigerator Screw 12-24 Tapping Hex .811 S Z560GEN WR01X2140564GEN WR01X1194578WZ2X464D GE Screw608WR23X427 GE Refrigerator Freezer Light Switch610GEN WR60X0221612GEN WR02X9214613WR60X114 GE Refrigerator Evaporator Motor Fan Blade615GEN WR02X7391820WR30X10081 GE Refrigerator Electronic IM INTL ROHS