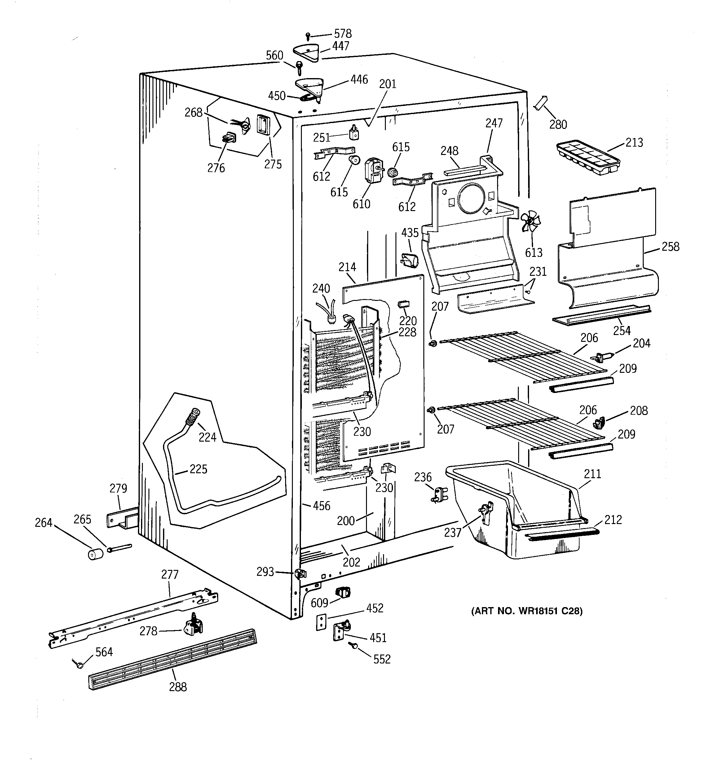
MSG22GABCWW FREEZER SECTIONadmin2025-04-26T10:04:10+00:00MSG22GABCWW FREEZER SECTION ProductsPositionProduct200GEN WR40X1741201GEN WR40X1742202GEN WR40X1743204GEN WR02X9217206GEN WR71X1888207GEN WR02X4676208GEN WR02X4674209GEN WR38X2217211GEN WR21X0183212GEN WR17X4036213WR30X311 GE Refrigerator Ice Tray214GEN WR17X4066214GEN WR14X0455214GEN WR01X10064220GEN WR02X9002224GEN WR02X8657225GEN WR02X8293225GEN WR01X5042228WR87X28949 GE Refrigerator Evaporator230GEN WR51X10021230GEN WR02X8671231GEN WR01X1987231GEN WR01X2110231GEN WR17X3666236GEN WR02X4548237GEN WR02X7036240WR50X122 GE Refrigerator Defrost Bi-metal Thermostat247GEN WR02X4845247GEN WR17X3483248GEN WR14X0272251GEN WR02X2880254GEN WR17X4275258GEN WR17X3662264WR2X3594 GE Refrigerator Wheel265GEN WR02X4742265GEN WR02X3595268GEN WR23X0312275GEN WR02X9004276GEN WR01X1510277GEN WR17X3136278WHEEL ASM FRT279GEN WR17X10057280GEN WR02X8518288GEN WR74X0217293GEN WR02X7080435WR2X9014 GE Refrigerator Socket & Terminal C02435WR02X12207 GE Refrigerator Net Bulb Light446GEN WR13X10055447GEN WR02X8262450GEN WR02X4194451WR13X10020 GE Refrigerator Door Hinge Assembly with Cam456GEN WR40X1747552WR01X10600 GE Refrigerator Screw 12-24 Tapping Hex .811 S Z560GEN WR01X2140564GEN WR01X1194578WZ2X464D GE Screw609WR23X37285 GE Light Switch610GEN WR60X0221612GEN WR02X9214613WR60X114 GE Refrigerator Evaporator Motor Fan Blade615GEN WR02X7391