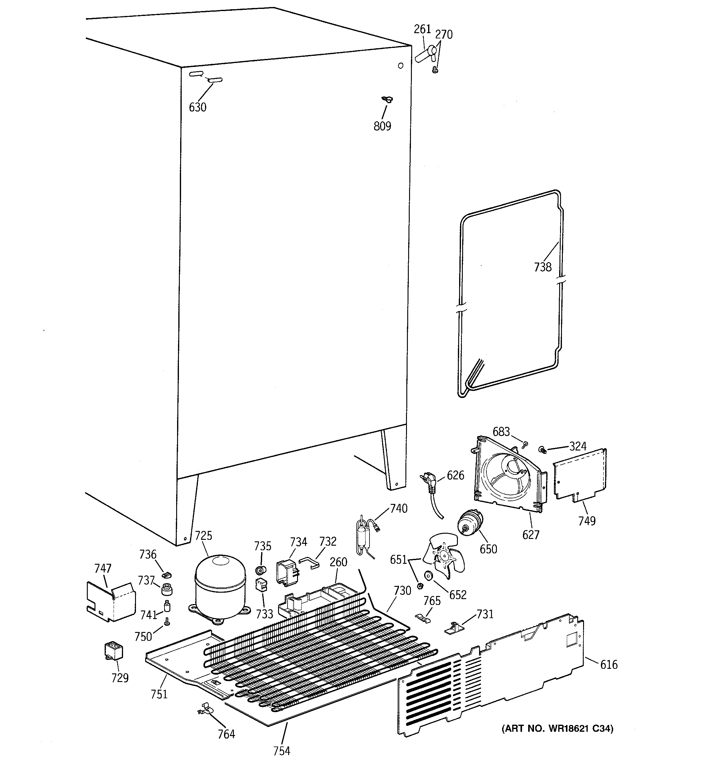
MSG22GABKWW UNIT PARTS