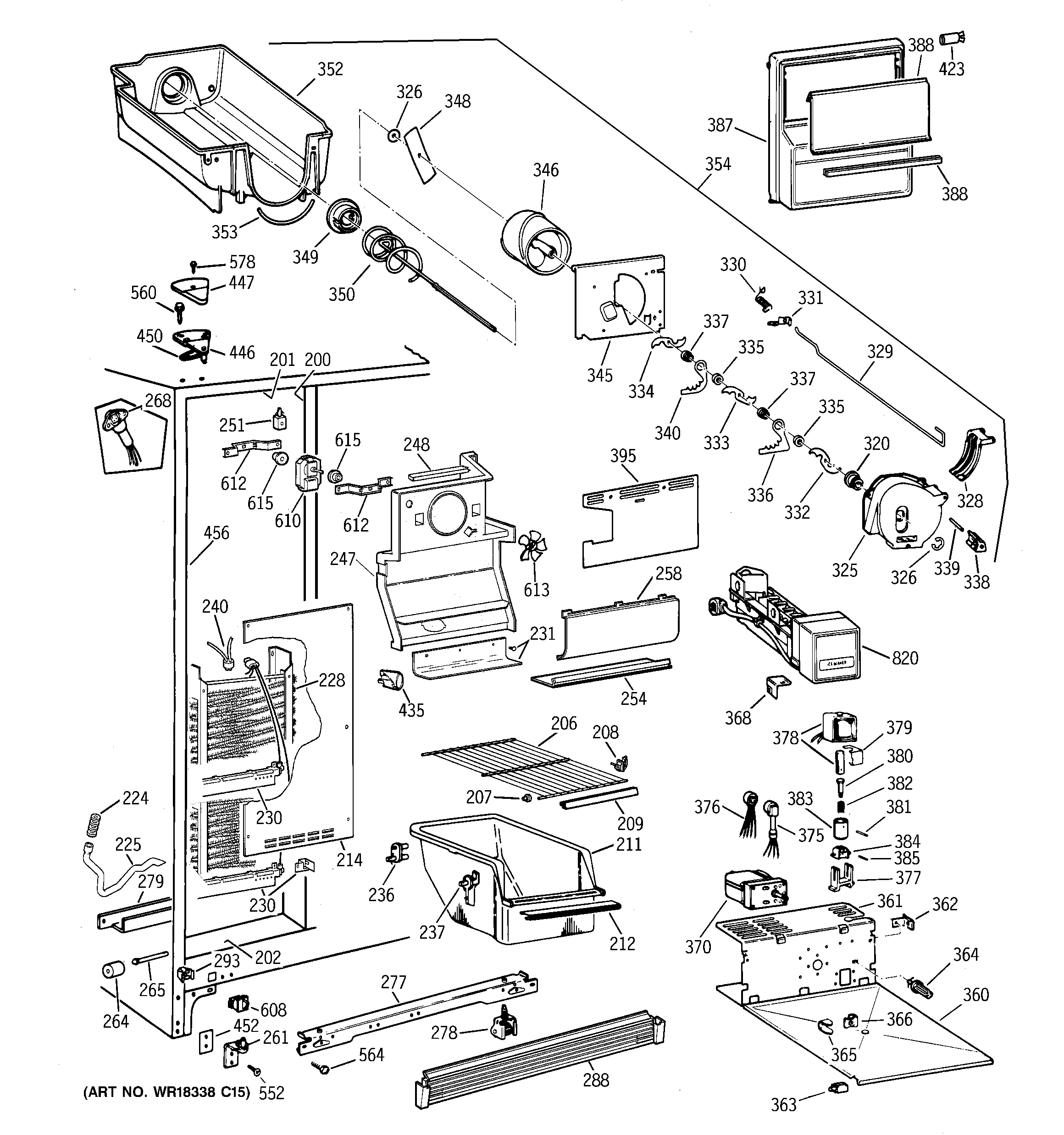
MSG25GRYDWW FREEZER SECTION

MSG25GRYDWW FREEZER SECTION

Products

PositionProduct
200GEN WR40X1730
201GEN WR40X1731
202GEN WR40X1732
206WR71X1936 GE Freezer Wire Shelf
207GEN WR02X4676
208GEN WR02X4674
209GEN WR38X2218
211GEN WR21X0185
212GEN WR17X4040
214GEN WR17X4091
214GEN WR01X2128
214GEN WR14X0456
224GEN WR02X8657
225GEN WR02X8293
225GEN WR01X5042
228WR87X29147 GE Refrigerator 25' Evaporator
230GEN WR02X8647
230GEN WR51X0445
231GEN WR17X3651
231GEN WR01X2110
231GEN WR01X1987
236GEN WR02X4548
237GEN WR02X7036
240WR50X122 GE Refrigerator Defrost Bi-metal Thermostat
247GEN WR02X4845
247GEN WR17X3488
248GEN WR14X0493
251GEN WR02X2880
254GEN WR17X4275
258GEN WR17X3489
261WR13X10020 GE Refrigerator Door Hinge Assembly with Cam
264WR2X3594 GE Refrigerator Wheel
265GEN WR02X3598
265GEN WR02X3595
265GEN WR02X4742
268GEN WR23X0312
277GEN WR17X2113
278WHEEL ASM FRT
279GEN WR17X3661
288GEN WR74X0206
293GEN WR02X7080
320GEN WR01X1585
325WR17X2061 GE Refrigerator Crush Dispenser
326GEN WR01X1990
326GEN WR01X1991
328GEN WR02X9164
328GEN WR02X4561
328DEFLECTOR ICE DISP
329GEN WR17X3737
330GEN WR02X4145
331GEN WR02X9165
332GEN WR17X3740
333GEN WR17X3741
334GEN WR17X3742
335GEN WR02X4139
336GEN WR17X3739
337WR2X4138 GE Refrigerator Spacer
338WR2X4140 GE Refrigerator Blade Rest
339GEN WR02X4141
340GEN WR17X3738
345GEN WR17X3733
346WR17X4207 GE Refrigerator Front Helix
348GEN WR02X7351
349WR2X4550 GE Refrigerator Drive Cup
350GEN WR17X4341
352WR30X256 GE Refrigerator Ice Dispenser
353WR2X7905 GE Refrigerator Bucket Seal
354GEN WR17X4342
360GEN WR71X2510
360GEN WR02X4566
361GEN WR71X2517
362GEN WR02X9166
363GEN WR02X8952
364GEN WR02X7310
365GEN WR02X4854
366GEN WR01X1547
368GEN WR02X8459
370GEN WR60X0201
375GEN WR23X0415
376GEN WR23X0189
377WR2X7309 GE Refrigerator Solenoid Cushion
378WR62X10054 GE Refrigerator Solenoid & Arm Assembly
381WR62X23154 GE Refrigerator Ice Dispenser Solenoid Kit
382WR62X26536 GE Refrigerator Armature Kit
387GEN WR17X4107
388GEN WR38X1524
388GEN WR17X2874
395GEN WR17X2905
423GEN WR02X6347
435WR2X9014 GE Refrigerator Socket & Terminal C02
435WR02X12207 GE Refrigerator Net Bulb Light
446GEN WR13X0753
447GEN WR02X8824
447GEN WR02X8825
450GEN WR02X4194
452GEN WR02X9443
452SHIM HINGE BTM.
456GEN WR40