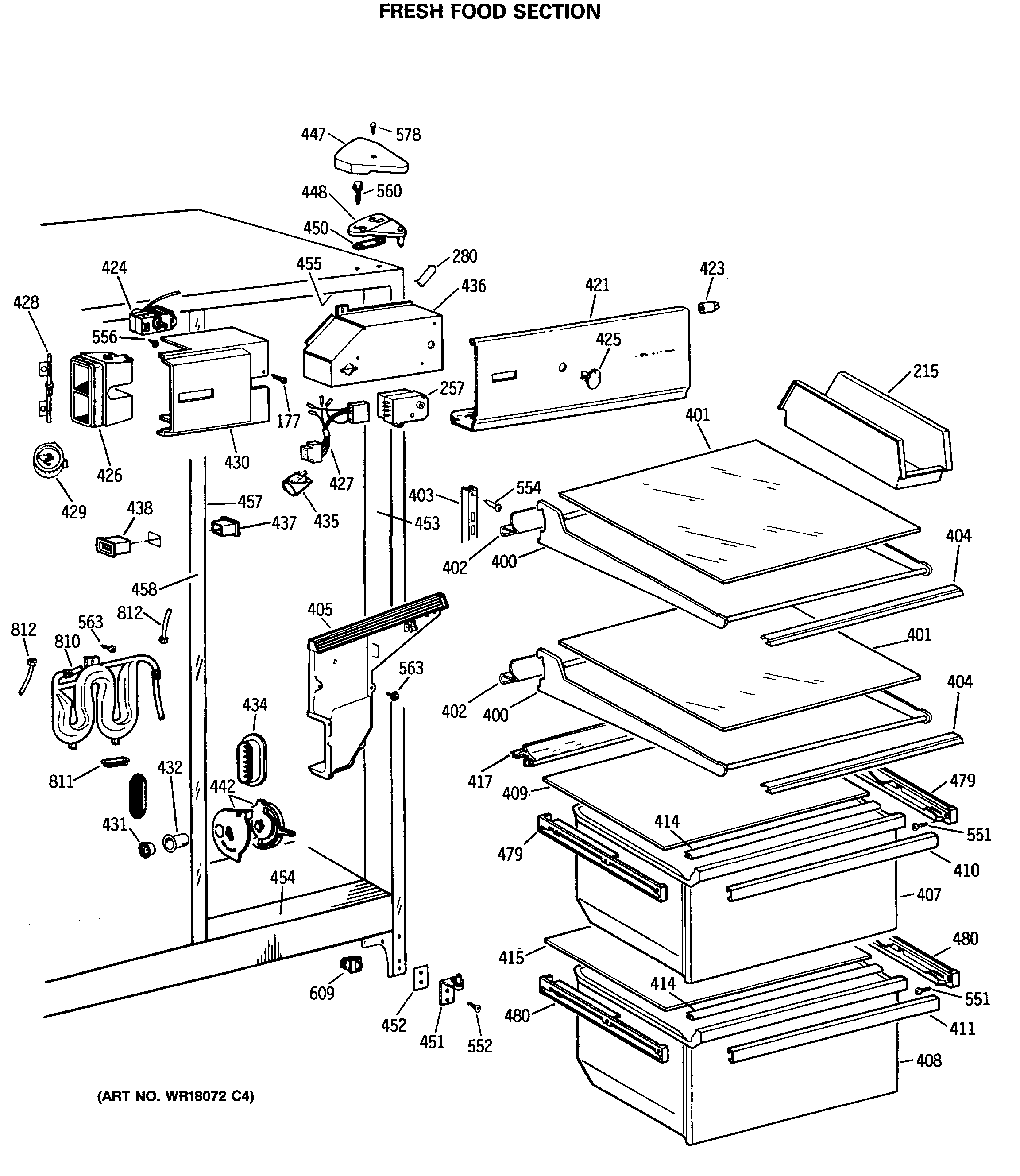
MSH24GRTAWW FRESH FOOD SECTIONadmin2025-04-26T10:04:28+00:00MSH24GRTAWW FRESH FOOD SECTION ProductsPositionProduct177SCREW215GEN WR32X1441257DEFROST TIMER280GEN WR02X8518400GEN WR71X2292401GEN WR32X1372402GEN WR38X1958403GEN WR71X2124404GEN WR38X1959405GEN WR17X1523405GEN WR14X0264407GEN WR32X1221408GEN WR32X1222409GEN WR32X1369410GEN WR17X3255414GEN WR14X0451415GEN WR32X0886417GEN WR02X7359421GEN WR17X3673423GEN WR02X6347424GEN WR09X0499426GEN WR02X8514426GEN WR02X8425426GEN WR14X0369427GEN WR23X0316428GEN WR02X4835429GEN WR02X8399430GEN WR17X2209431GEN WR02X8722432GEN WR02X8654434GEN WR02X9021435WR2X9391 GE Socket and Terminal435RANGE ONLY 40W 120V APPL BULB436GEN WR02X7736437GEN WR02X7476438GEN WR02X8655442GEN WR02X8651447GEN WR02X8262448GEN WR13X0646450GEN WR02X4194451WR13X10020 GE Refrigerator Door Hinge Assembly with Cam452NUTSTRIP HINGE452SHIM HINGE BTM.453GEN WR40X1717454GEN WR40X1714455GEN WR40X1720457GEN WR40X1728458GEN WR02X8721458GEN WR02X7033458GEN WR40X1677458GEN WR02X4739479GEN WR72X0230479WR72X207 GE Refrigerator Left Hand Slide Assembly479GEN WR72X0206480GEN WR72X0208480GEN WR72X0209551GEN WZ04X0244554GEN WR01X1483560GEN WR01X1806560GEN WR01X1249578WZ2X464D GE Screw609WR23X37285 GE Light Switch810GEN WR17X3105811GEN WR02X8659812WR17X2891 GE Refrigerator 5/16" X 6FT Plastic Water Line Tubing