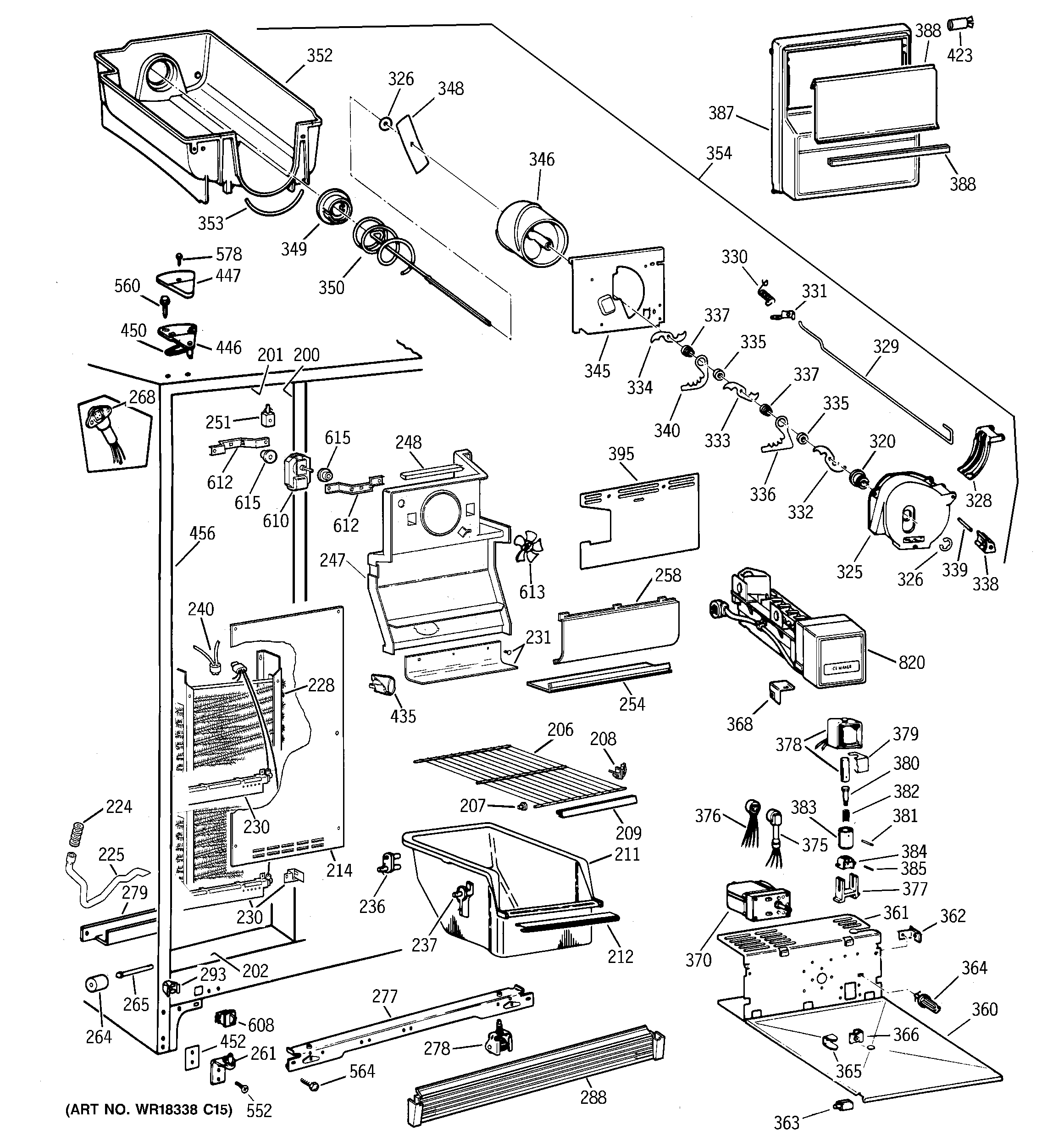
MSK22GRXDAD FREEZER SECTION

MSK22GRXDAD FREEZER SECTION

Products

PositionProduct
200GEN WR40X1741
201GEN WR40X1742
202GEN WR40X1743
206GEN WR71X1888
207GEN WR02X4676
208GEN WR02X4674
209GEN WR38X2217
211GEN WR21X0180
212GEN WR17X4036
214GEN WR01X2128
214GEN WR14X0455
214GEN WR17X4066
224GEN WR02X8657
225GEN WR02X8293
225GEN WR01X5042
228WR87X28949 GE Refrigerator Evaporator
230GEN WR02X8671
230GEN WR51X0446
231GEN WR01X2110
231GEN WR01X1987
231GEN WR17X3666
236GEN WR02X4548
237GEN WR02X7036
240WR50X122 GE Refrigerator Defrost Bi-metal Thermostat
247GEN WR17X3483
247GEN WR02X4845
248GEN WR14X0272
251GEN WR02X2880
254GEN WR17X4275
258GEN WR17X3484
261WR13X10020 GE Refrigerator Door Hinge Assembly with Cam
264WR2X3594 GE Refrigerator Wheel
265GEN WR02X3595
265GEN WR02X3598
265GEN WR02X4742
268GEN WR23X0312
277GEN WR17X3136
278WHEEL ASM FRT
279GEN WR17X3660
288GEN WR74X0216
293GEN WR02X7080
320GEN WR01X1585
325WR17X2061 GE Refrigerator Crush Dispenser
326GEN WR01X1990
326GEN WR01X1991
328GEN WR02X9164
328DEFLECTOR ICE DISP
328GEN WR02X4561
329GEN WR17X3737
330GEN WR02X4145
331GEN WR02X9165
332GEN WR17X3740
333GEN WR17X3741
334GEN WR17X3742
335GEN WR02X4139
336GEN WR17X3739
337WR2X4138 GE Refrigerator Spacer
338WR2X4140 GE Refrigerator Blade Rest
339GEN WR02X4141
340GEN WR17X3738
345GEN WR17X3728
346WR17X4207 GE Refrigerator Front Helix
348GEN WR02X7351
349WR2X4550 GE Refrigerator Drive Cup
350GEN WR17X4341
352GEN WR30X0257
353WR2X7905 GE Refrigerator Bucket Seal
354GEN WR17X4345
360GEN WR71X2509
360GEN WR02X8730
361GEN WR71X2518
362GEN WR02X9166
363GEN WR02X8952
364GEN WR02X7310
365GEN WR02X4854
366GEN WR01X1547
368GEN WR02X8459
370GEN WR60X0201
375GEN WR23X0415
376GEN WR23X0189
377WR2X7309 GE Refrigerator Solenoid Cushion
378WR62X10054 GE Refrigerator Solenoid & Arm Assembly
381WR62X23154 GE Refrigerator Ice Dispenser Solenoid Kit
382WR62X26536 GE Refrigerator Armature Kit
387GEN WR17X4099
388WR17X10273 GE Refrigerator Door Ice Storage
388GEN WR38X1497
395GEN WR17X2904
423GEN WR02X6347
435WR02X12207 GE Refrigerator Net Bulb Light
435WR2X9014 GE Refrigerator Socket & Terminal C02
446GEN WR13X0744
447GEN WR02X8263
450GEN WR02X4194
452SHIM HINGE BTM.
452GEN WR02X9442
456GEN WR40X1747
552SCR 12-24 TT HXW 1 3/64S