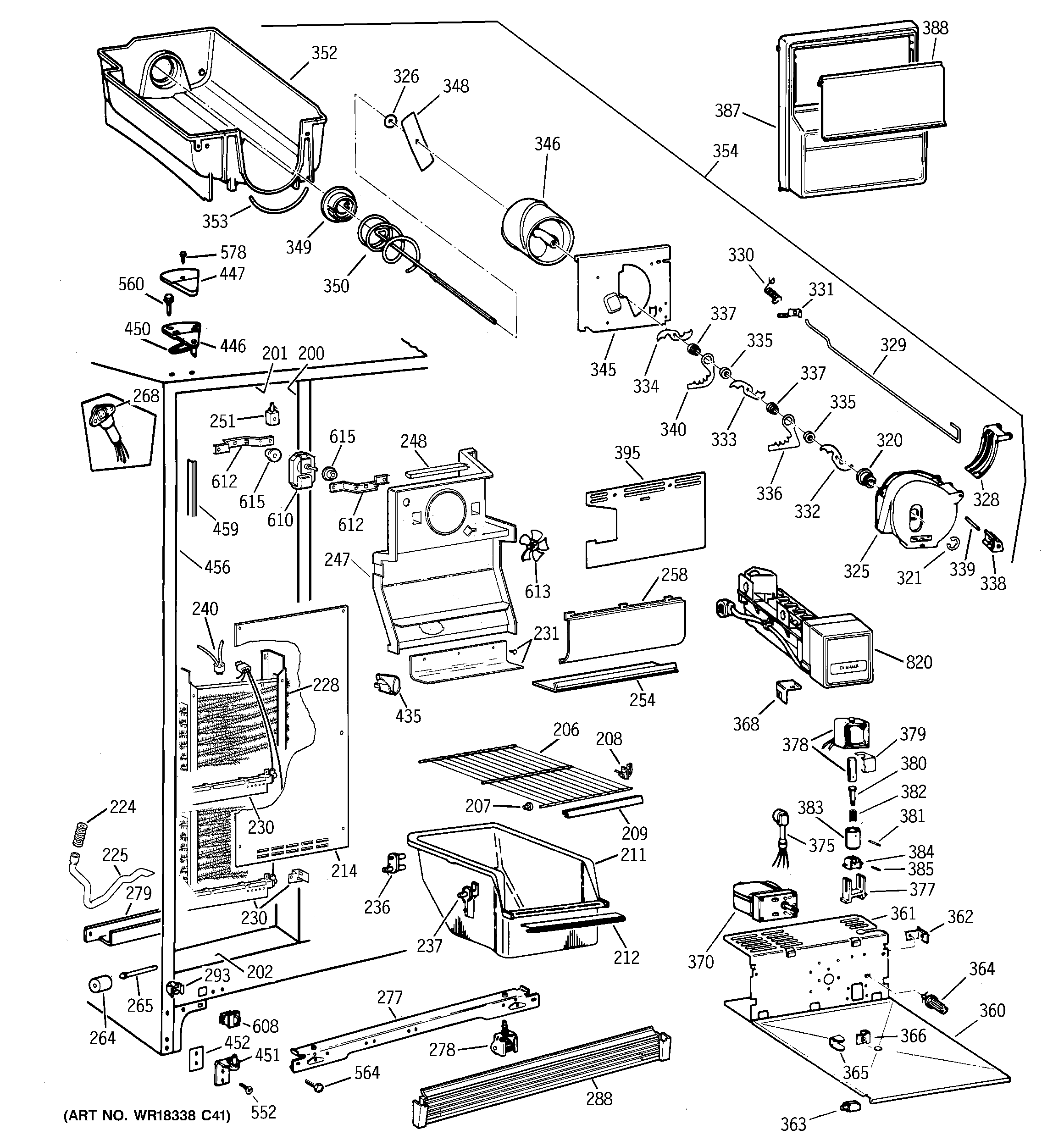
MSK25GRBEAA FREEZER SECTIONadmin2025-04-26T10:05:14+00:00MSK25GRBEAA FREEZER SECTION ProductsPositionProduct200GEN WR40X1730201GEN WR40X1731202GEN WR40X1732206WR71X1936 GE Freezer Wire Shelf207GEN WR02X4676208GEN WR02X4674209GEN WR38X2218211GEN WR21X0190212GEN WR17X4040214GEN WR01X10064214GEN WR17X4091214GEN WR14X0456224GEN WR02X8657225GEN WR01X5042225GEN WR02X10395228WR87X29147 GE Refrigerator 25' Evaporator230WR51X10023 GE Heater Defrost Harness Assembly230GEN WR02X8647231GEN WR01X2110231GEN WR01X1987231GEN WR17X3651236GEN WR02X4548237GEN WR02X7036240WR50X122 GE Refrigerator Defrost Bi-metal Thermostat247GEN WR17X3488247GEN WR02X4845248GEN WR14X0493251GEN WR02X2880254GEN WR17X4275258GEN WR17X3489264WR2X3594 GE Refrigerator Wheel265GEN WR02X4742265GEN WR02X3595268GEN WR23X0312277GEN WR17X2113278WHEEL ASM FRT279GEN WR17X10434288GEN WR74X0209293GEN WR02X7080320GEN WR01X1585321GEN WR01X1990325WR17X2061 GE Refrigerator Crush Dispenser326GEN WR01X1991328GEN WR02X9164328GEN WR02X4561328DEFLECTOR ICE DISP329GEN WR17X3737330GEN WR02X4145331GEN WR02X9165332GEN WR17X3740333GEN WR17X3741334GEN WR17X3742335GEN WR02X4139336GEN WR17X3739337WR2X4138 GE Refrigerator Spacer338WR2X4140 GE Refrigerator Blade Rest339GEN WR02X4141340GEN WR17X3738345GEN WR17X3733346WR17X4207 GE Refrigerator Front Helix348GEN WR02X7351349WR2X4550 GE Refrigerator Drive Cup350GEN WR17X4341352WR30X256 GE Refrigerator Ice Dispenser353WR2X7905 GE Refrigerator Bucket Seal354GEN WR17X4342360GEN WR02X4566360GEN WR71X2510361GEN WR71X10192362GEN WR02X9166363GEN WR02X8952364GEN WR02X7310365GEN WR02X4854366GEN WR01X1547368GEN WR02X8459370GEN WR60X0201375GEN WR23X0415377WR2X7309 GE Refrigerator Solenoid Cushion378WR62X10054 GE Refrigerator Solenoid & Arm Assembly381WR62X23154 GE Refrigerator Ice Dispenser Solenoid Kit382WR62X26536 GE Refrigerator Armature Kit387GEN WR17X10330388GEN WR17X10275395GEN WR17X2905435WR02X12207 GE Refrigerator Net Bulb Light435WR2X9014 GE Refrigerator Socket & Terminal C02446GEN WR13X10059447GEN WR02X8843447GEN WR02X8844450GEN WR02X4194451WR13X10020 GE Refrigerator Door Hinge Assembly with Cam452GEN WR02X7011452SHIM HINGE BTM.456GEN WR40X1733459GEN WR14X0481552WR01X10600 GE Refrigerator Screw 12-24 Tapping Hex .811 S Z560SCR 12-24 TT HXW 1 3/64S