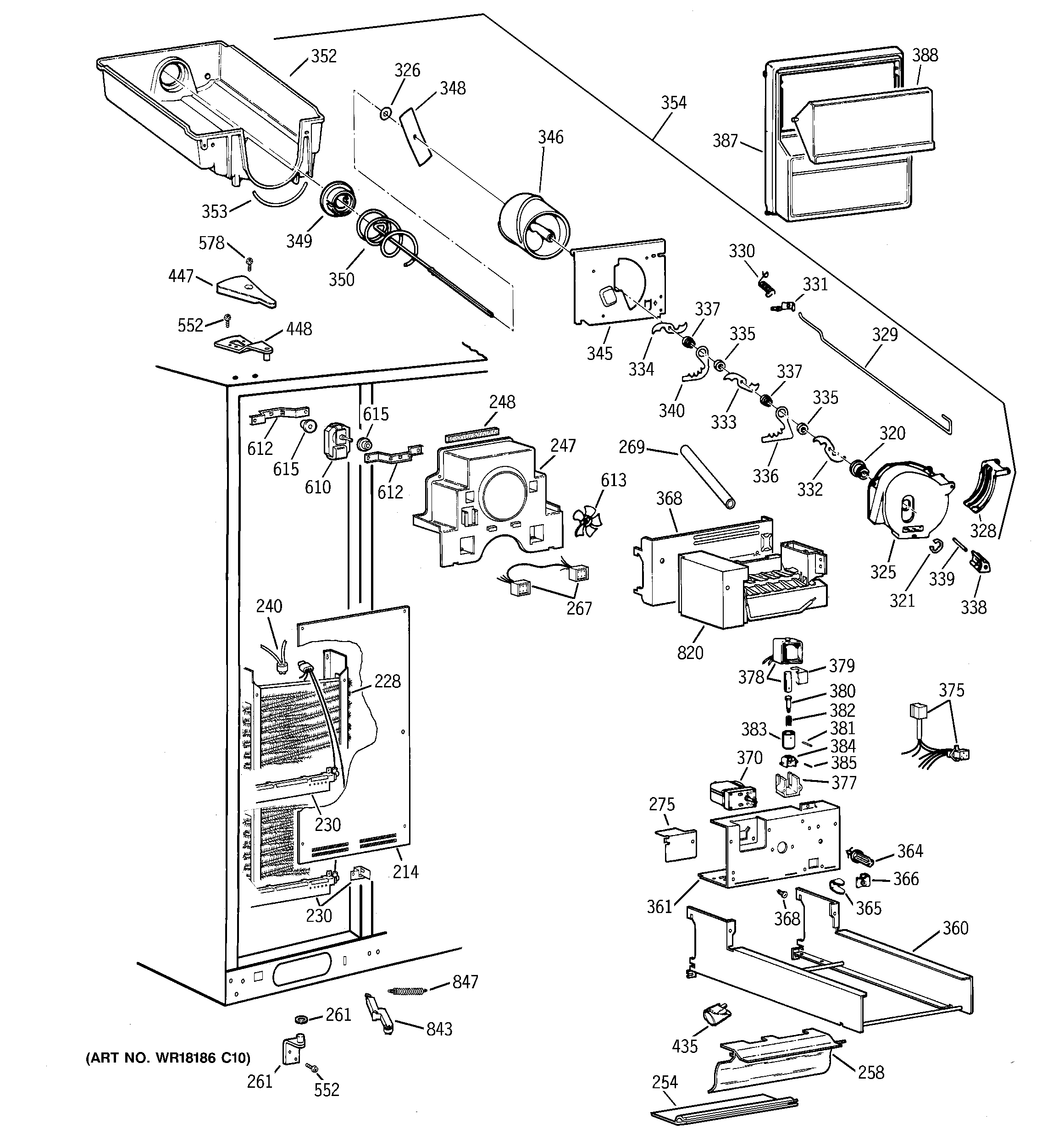
MSK28DRBAAA FREEZER SECTIONadmin2025-04-26T10:07:43+00:00MSK28DRBAAA FREEZER SECTION ProductsPositionProduct214GEN WR17X3835228GEN WR85X0306230GEN WR02X8647230GEN WR51X0445240WR50X122 GE Refrigerator Defrost Bi-metal Thermostat247GEN WR17X10039248GEN WR14X0460254GEN WR17X4275258GEN WR17X10043261GEN WR13X0758261GEN WR01X2033267GEN WR23X0471269GEN WR02X7927275GEN WR01X2018320GEN WR01X1585321GEN WR01X1990325WR17X2061 GE Refrigerator Crush Dispenser326GEN WR01X1991328GEN WR02X9164328DEFLECTOR ICE DISP328GEN WR02X4561329GEN WR17X3853330GEN WR02X4145331GEN WR02X9165332GEN WR17X3740333GEN WR17X3741334GEN WR17X3742335GEN WR02X4139336GEN WR17X3739337WR2X4138 GE Refrigerator Spacer338WR2X4140 GE Refrigerator Blade Rest339GEN WR02X4141340GEN WR17X3738345GEN WR17X3733346WR17X4207 GE Refrigerator Front Helix348GEN WR02X7351349WR2X4550 GE Refrigerator Drive Cup350GEN WR17X10068352GEN WR30X0313353WR2X7905 GE Refrigerator Bucket Seal354GEN WR17X10067360GEN WR71X2529361GEN WR17X10070364GEN WR02X7310365GEN WR02X4854366GEN WR01X1547368WR01X10618 GE Refrigerator Screw 8-18 TPT 1/4368GEN WR02X10011370GEN WR60X0201375GEN WR23X10029377WR2X7309 GE Refrigerator Solenoid Cushion378WR62X10054 GE Refrigerator Solenoid & Arm Assembly381WR62X23154 GE Refrigerator Ice Dispenser Solenoid Kit382WR62X26536 GE Refrigerator Armature Kit387GEN WR17X10041388GEN WR17X3838435WR2X9014 GE Refrigerator Socket & Terminal C02435WR02X12207 GE Refrigerator Net Bulb Light447GEN WR02X9437447GEN WR02X9438448GEN WR13X10013448GEN WR13X10012552WR01X10631 GE Screw578WZ2X464D GE Screw610GEN WR60X0269612GEN WR02X9319613WR60X114 GE Refrigerator Evaporator Motor Fan Blade613GEN WR60X0255615GEN WR02X7391820WR30X10081 GE Refrigerator Electronic IM INTL ROHS843GEN WR11X0177847WR1X2027 GE Refrigerator Spring Closure