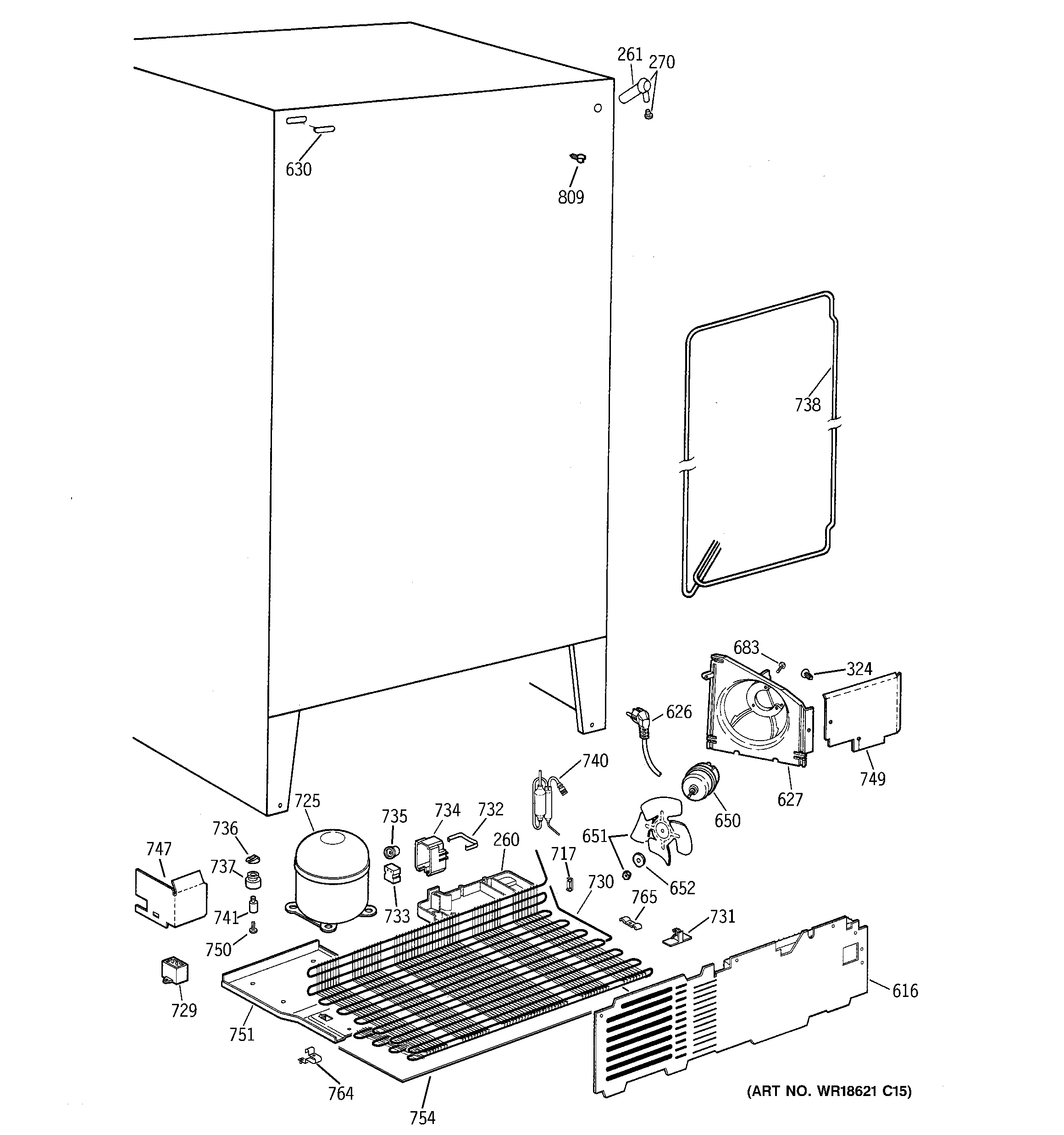
MST20GABEWW UNIT PARTS