MST24GRXAWW FRESH FOOD SECTION

MST24GRXAWW FRESH FOOD SECTION

Products

PositionProduct
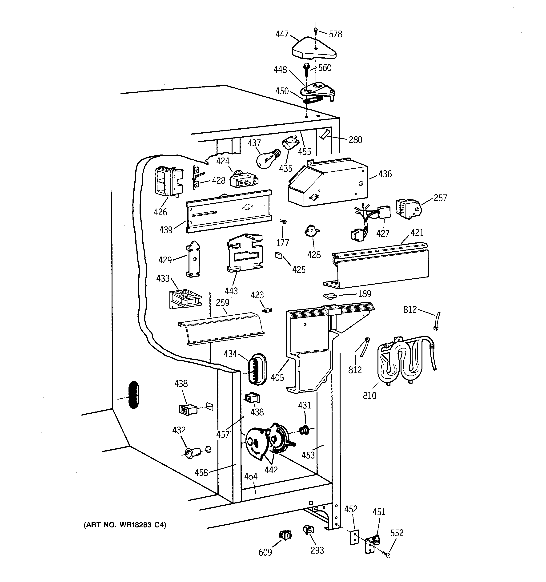
177SCREW
189GEN WR01X2115
215GEN WR32X1576
257WR9X560 GE Refrigerator Defrost Control
259GEN WR17X4077
280GEN WR02X8518
293GEN WR02X7080
400GEN WR71X2292
401GEN WR32X1533
402GEN WR38X2214
403GEN WR71X2588
404GEN WR38X2216
405GEN WR17X3890
407GEN WR32X1532
408GEN WR32X1531
409GEN WR32X1530
410GEN WR17X4104
411GEN WR17X4105
414GEN WR14X0431
415GEN WR32X1473
417GEN WR14X0470
421GEN WR17X4124
423GEN WR02X6347
424GEN WR09X0499
425GEN WR02X8398
426GEN WR02X8514
426GEN WR02X8425
427GEN WR23X0469
428GEN WR02X8569
428GEN WR02X8513
429HOLDER HEATER ELEMENT
431WR2X9299 GE Refrigerator Air Duct Cap Mullion
432GEN WR02X8654
433GEN WR60X0246
434GEN WR02X9431
435WR2X9391 GE Socket and Terminal
436GEN WR02X7736
437RANGE ONLY 40W 120V APPL BULB
438GEN WR02X8655
438GEN WR02X7476
439GEN WR17X2922
442GEN WR02X9430
443GEN WR02X8570
447GEN WR02X8262
448GEN WR13X0743
450GEN WR02X4194
451WR13X10020 GE Refrigerator Door Hinge Assembly with Cam
452GEN WR02X9442
452NUTSTRIP HINGE
452SHIM HINGE BTM.
453GEN WR40X1744
454GEN WR40X1745
455GEN WR40X1746
457GEN WR40X1756
458GEN WR40X1749
458GEN WR02X9376
458GEN WR02X7033
458GEN WR02X4739
479WR72X239 GE Refrigerator Left Hand Slide Assembly
479WR72X240 GE Slide Assembly Right Hand
480WR72X252 GE Refrigerator Slide Assembly Left Hand
480GEN WR72X0253
481GEN WR01X2079
551GEN WZ04X0244
552GEN WR01X2078
554WR01X10601 GE Refrigerator Screw 10-24 TT IHXW
560GEN WR01X2140
578WZ2X464D GE Screw
609WR23X37285 GE Light Switch
810WR17X4358 GE Refrigerator Water Tank
812WR17X2891 GE Refrigerator 5/16" X 6FT Plastic Water Line Tubing