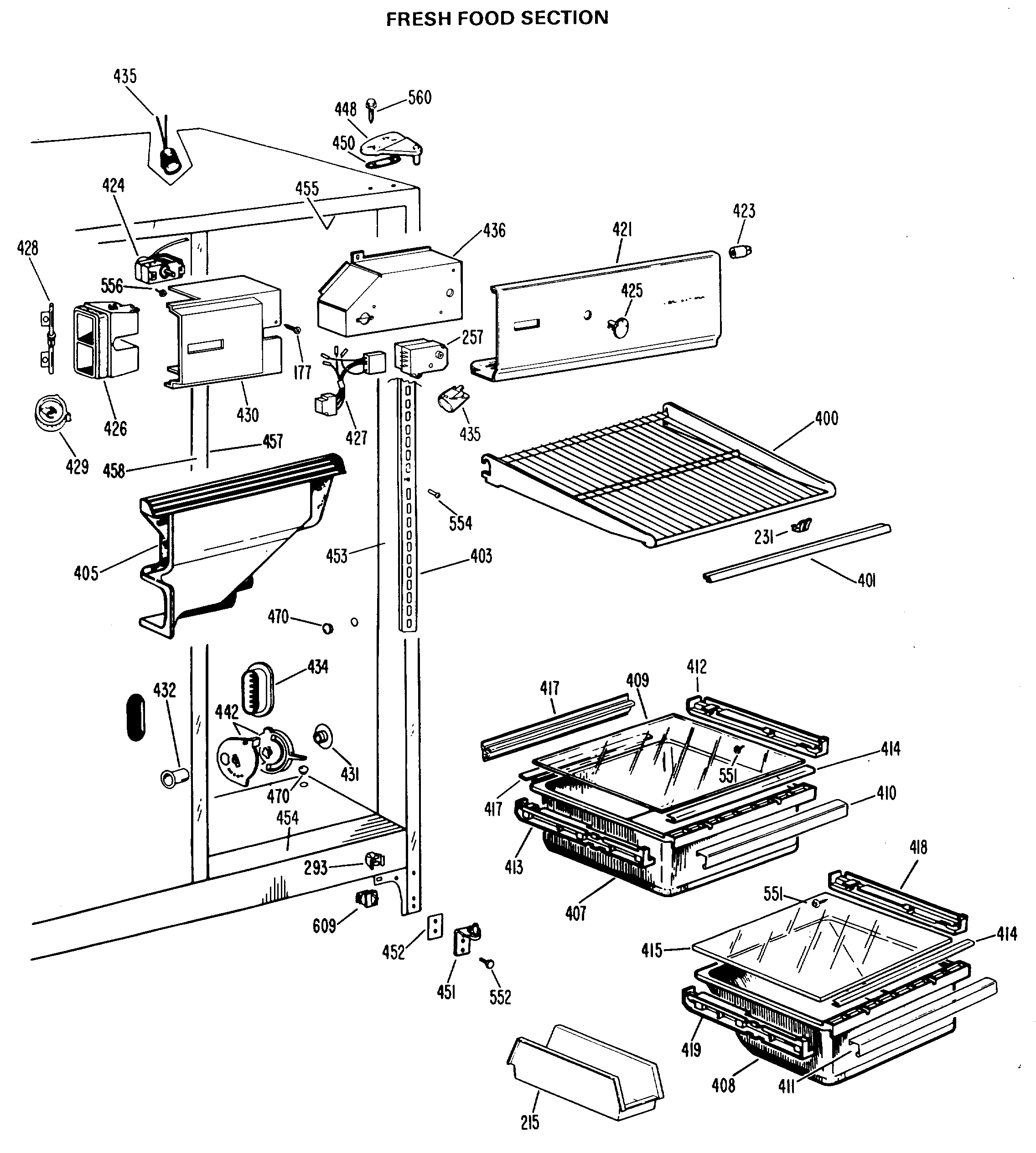
MSX20ELB FRESH FOOD SECTIONadmin2025-04-26T10:08:58+00:00MSX20ELB FRESH FOOD SECTION ProductsPositionProduct177SCREW215GEN WR32X0897231GEN WR02X5008257WR9X502 GE Refrigerator Defrost Timer293GEN WR02X7080400GEN WR71X1657401GEN WR38X5146403GEN WR72X0089405GEN WR17X1382407GEN WR32X1044408GEN WR32X1042409GEN WR32X0654410GEN WR17X6359411GEN WR17X6360412GEN WR02X7930413GEN WR02X7931414GEN WR14X5111415COVER PAN417GEN WR14X5108418SLIDE PAN-R. SIDE419SLIDE PAN-L. SIDE421GEN WR17X6361423GEN WR02X6350423GEN WR02X6347424GEN WR09X0442425GEN WR02X7157426GEN WR02X8043426GEN WR14X0369426GEN WR02X8425427GEN WR23X0316428GEN WR02X4835429GEN WR02X4836430GEN WR17X2209431CAP MULLION DUCT432GEN WR02X3886434GEN WR02X4542435WR2X9391 GE Socket and Terminal435RANGE ONLY 40W 120V APPL BULB436GEN WR02X7736442GEN WR02X7035448GEN WR13X0579450GEN WR02X4194451WR13X10020 GE Refrigerator Door Hinge Assembly with Cam452NUTSTRIP HINGE453GEN WR40X1631454GEN WR40X1639455GEN WR40X1642457GEN WR40X1640458GEN WR02X7033458GEN WR40X1576458GEN WR02X7031458GEN WR02X4739551GEN WZ04X0244552SCR 12-24 TT HXW 1 3/64S554GEN WR01X1483556SCR 8-32 MA TR 1/4 SS560GEN WR01X1249609WR23X37285 GE Light Switch