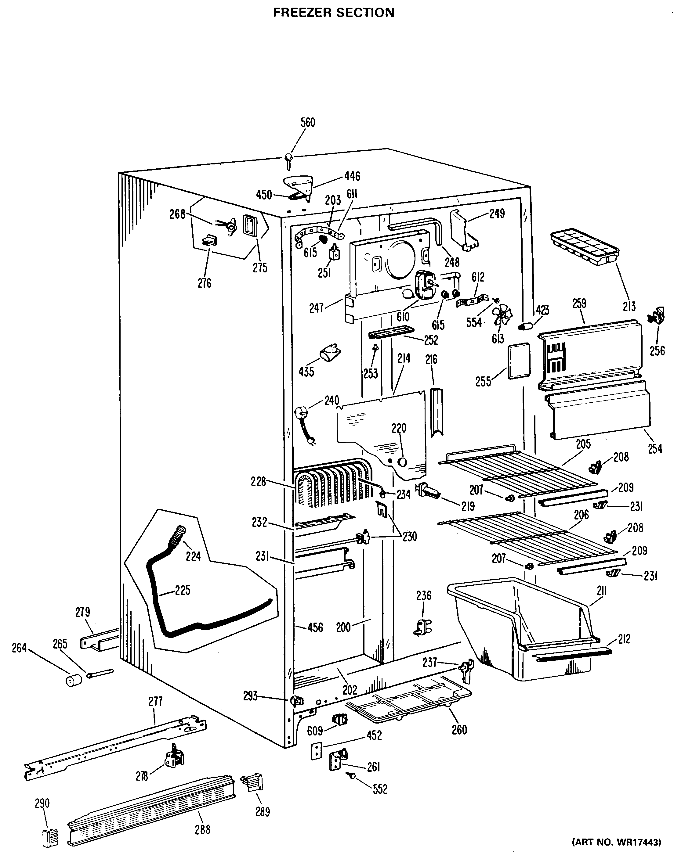
MSX20ELD FREEZER SECTION