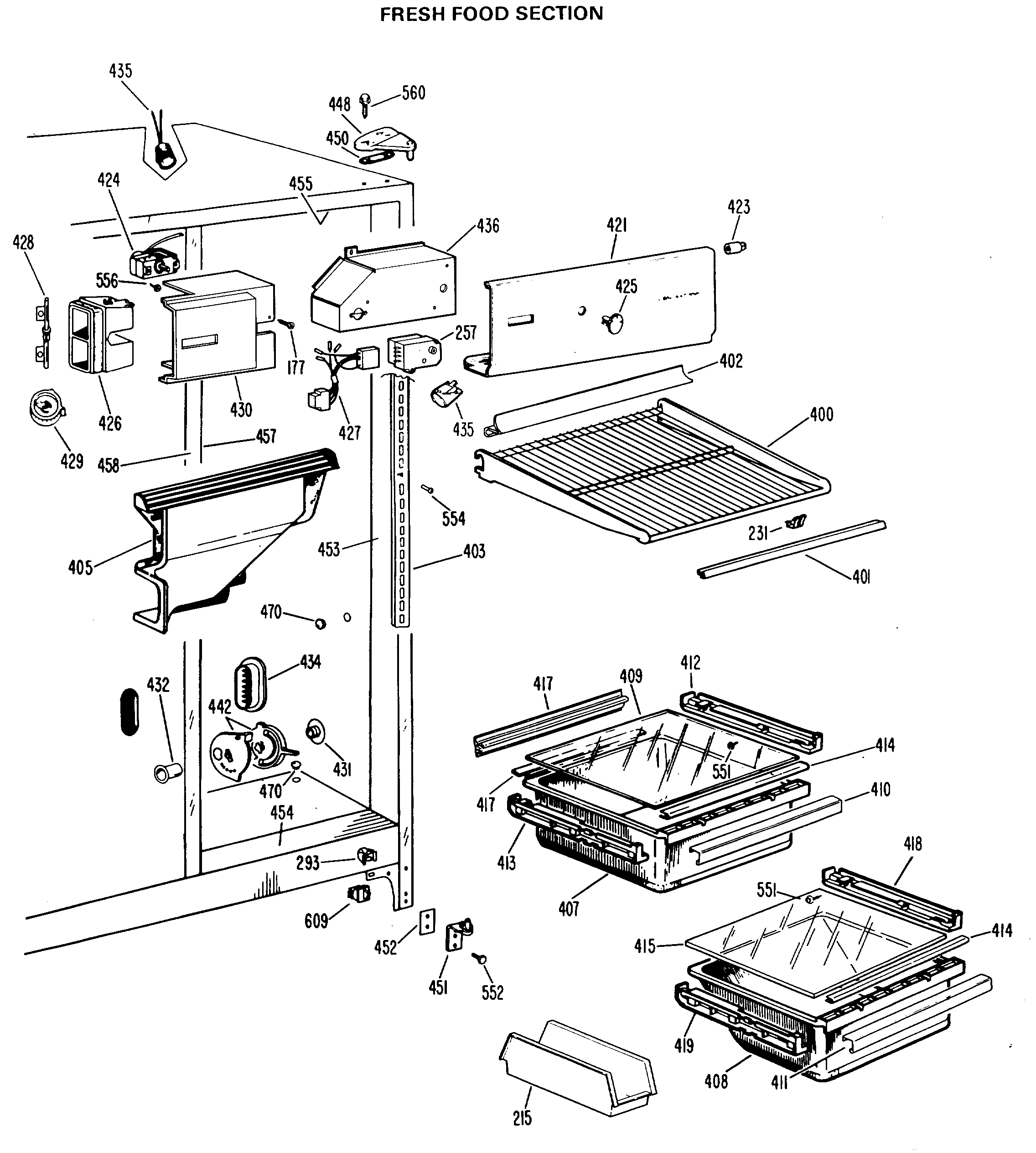
MSX20GLB FRESH FOOD SECTION