| 177 | SCREW |
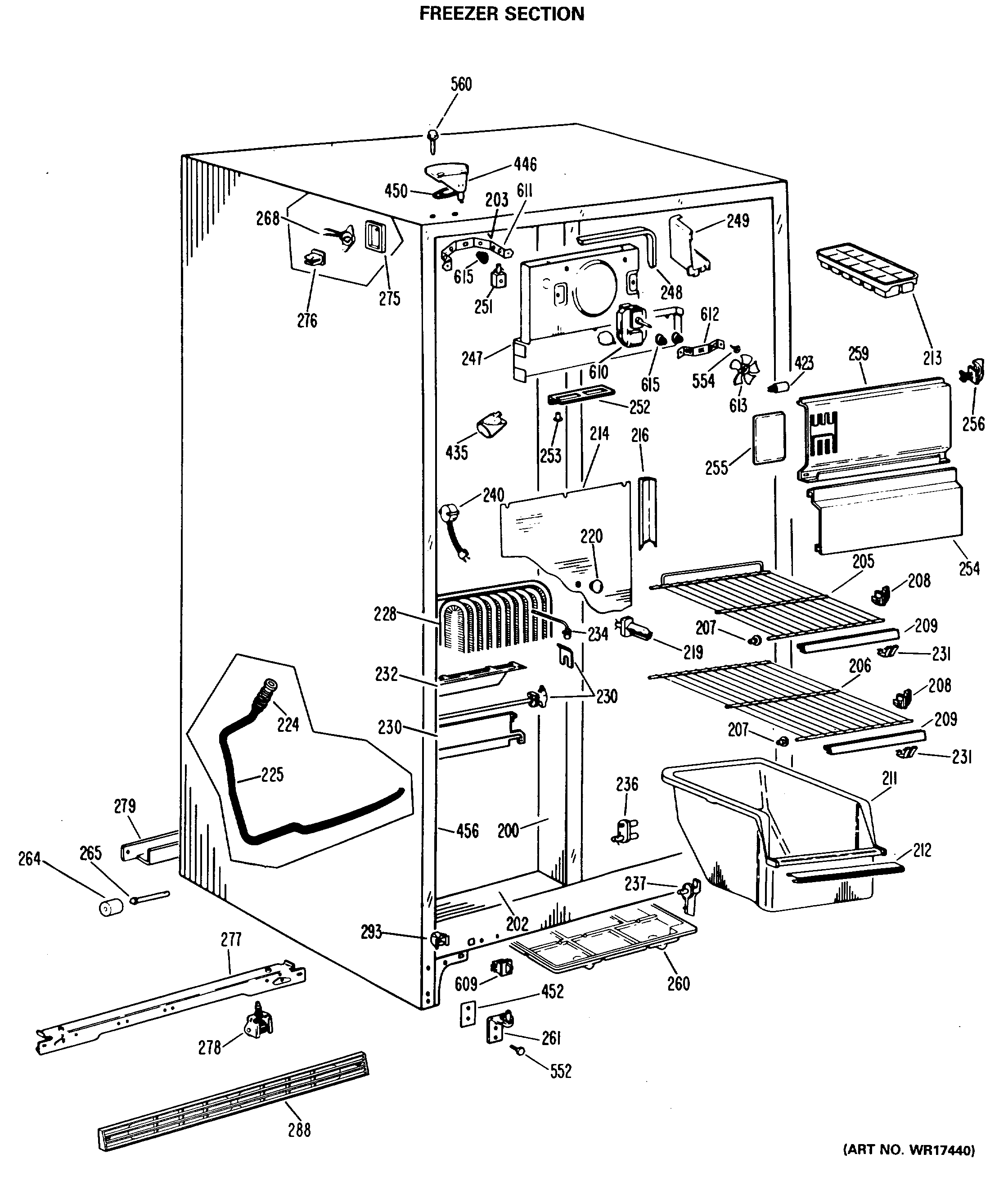
| 200 | GEN WR40X1641 |
| 202 | GEN WR40X1630 |
| 203 | GEN WR40X1636 |
| 205 | GEN WR71X1656 |
| 206 | GEN WR71X1888 |
| 207 | GEN WR02X4676 |
| 208 | GEN WR02X4674 |
| 209 | GEN WR38X5180 |
| 211 | GEN WR21X5117 |
| 212 | GEN WR02X6042 |
| 213 | WR30X311 GE Refrigerator Ice Tray |
| 214 | GEN WR02X7257 |
| 214 | GEN WR17X2339 |
| 216 | GEN WR14X0274 |
| 219 | GEN WR02X4421 |
| 220 | GEN WR02X7926 |
| 224 | GEN WR02X4967 |
| 225 | GEN WR02X4838 |
| 225 | GEN WR02X8293 |
| 225 | GEN WR01X5042 |
| 228 | GEN WR02X4983 |
| 228 | GEN WR02X4982 |
| 228 | GEN WR85X0200 |
| 230 | SHIELD DEF HTR END |
| 230 | BRACKET DEF HTR |
| 230 | GEN WR51X0231 |
| 231 | GEN WR02X5008 |
| 232 | GEN WR02X4971 |
| 234 | GEN WR02X4546 |
| 236 | GEN WR02X4548 |
| 237 | GEN WR02X7036 |
| 240 | WR50X55 GE Refrigerator Defrost Thermostat 55 Degree with Clip |
| 247 | GEN WR17X1413 |
| 248 | GEN WR14X0272 |
| 249 | GEN WR17X1414 |
| 251 | GEN WR02X2880 |
| 252 | GEN WR02X7042 |
| 254 | GEN WR17X1567 |
| 255 | GEN WR02X6254 |
| 256 | GEN WR02X4839 |
| 259 | GEN WR17X1927 |
| 260 | GEN WR32X1125 |
| 261 | WR13X10020 GE Refrigerator Door Hinge Assembly with Cam |
| 264 | WR2X3594 GE Refrigerator Wheel |
| 265 | GEN WR02X4742 |
| 265 | GEN WR02X3598 |
| 268 | GEN WR23X0312 |
| 275 | GEN WR02X4339 |
| 278 | WHEEL ASM FRT |
| 279 | GEN WR17X2762 |
| 288 | GEN WR74X0196 |
| 293 | GEN WR02X7080 |
| 423 | GEN WR02X6350 |
| 423 | GEN WR02X6347 |
| 435 | WR2X9391 GE Socket and Terminal |
| 435 | RANGE ONLY 40W 120V APPL BULB |
| 446 | GEN WR13X0623 |
| 450 | GEN WR02X4194 |
| 452 | NUTSTRIP HINGE |
| 452 | SHIM HINGE BTM. |
| 456 | GEN WR40X1632 |
| 554 | GEN WR01X1483 |
| 560 | GEN WR01X1806 |
| 609 | WR23X37285 GE Light Switch |
| 610 | GEN WR60X0178 |
| 611 | BRACKET EVAP FAN |
| 612 | BRACKET EVAP FAN |
| 613 | WR60X114 GE Refrigerator Evaporator Motor Fan Blade |
| 615 | GEN WR02X2945 |