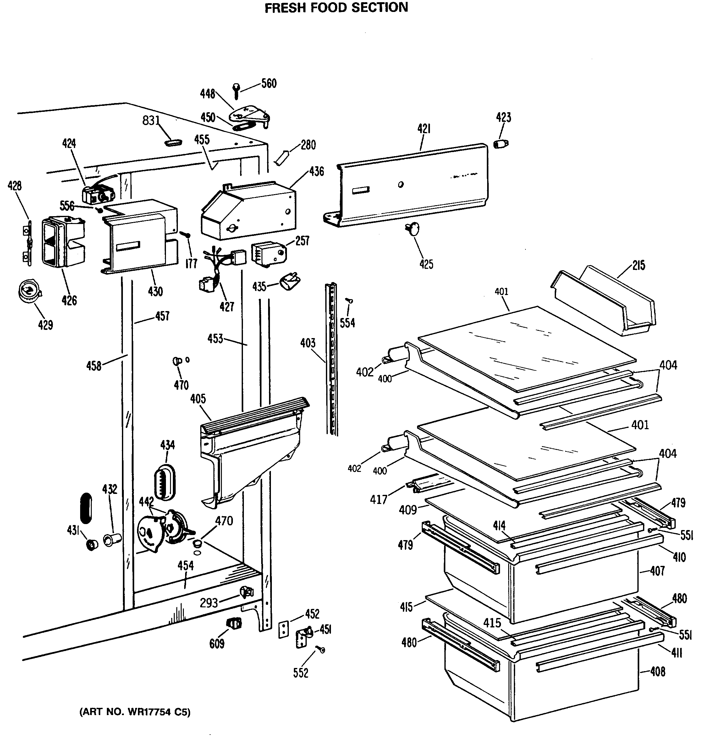
MSX20GRAWH FRESH FOOD SECTIONadmin2025-04-26T10:09:25+00:00MSX20GRAWH FRESH FOOD SECTION ProductsPositionProduct177SCREW215GEN WR32X0897257WR9X502 GE Refrigerator Defrost Timer293GEN WR02X7080400GEN WR71X2212401GEN WR32X1215402GEN WR38X1831403GEN WR72X0089404GEN WR38X1830405GEN WR14X0264405GEN WR17X1382407GEN WR32X1287408GEN WR32X1288409GEN WR32X0654410GEN WR17X6359411GEN WR17X6360414GEN WR14X5111415GEN WR32X1105415GEN WR14X0407417GEN WR14X5108421GEN WR17X6361423GEN WR02X6350423GEN WR02X6347424GEN WR09X0442425GEN WR02X7157426GEN WR02X8514426GEN WR14X0369426GEN WR02X4834427GEN WR23X0316428GEN WR02X4835429GEN WR02X4836430GEN WR17X2209431GEN WR02X8434432GEN WR02X3886434GEN WR02X4542435RANGE ONLY 40W 120V APPL BULB435WR2X9391 GE Socket and Terminal436GEN WR02X7736442GEN WR02X7035442GEN WR02X3884442KNOB CONTROL448GEN WR13X0624450GEN WR02X4194451WR13X10020 GE Refrigerator Door Hinge Assembly with Cam452NUTSTRIP HINGE453GEN WR40X1631454GEN WR40X1653455GEN WR40X1642457GEN WR40X1640458GEN WR02X7033458GEN WR40X1576458GEN WR02X4739458GEN WR02X7031479GEN WR72X0194479GEN WR72X0195480GEN WR72X0209480GEN WR72X0208551GEN WZ04X0244554GEN WR01X1483556SCR 8-32 MA TR 1/4 SS560GEN WR01X1249560GEN WR01X1806609WR23X37285 GE Light Switch831GEN WR02X8550