MSX20GWSMWH FREEZER SECTION

MSX20GWSMWH FREEZER SECTION

Products

PositionProduct
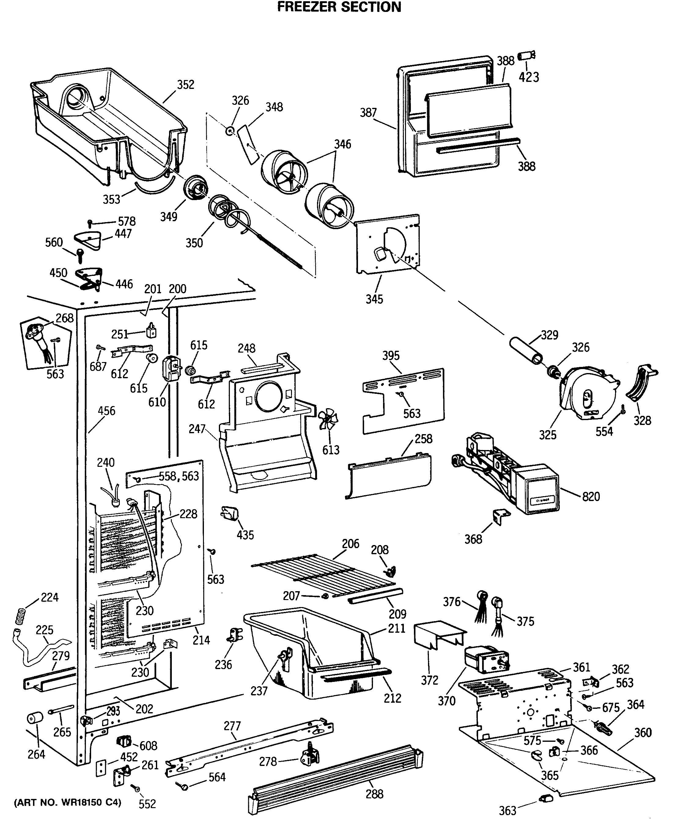
200GEN WR40X1719
201GEN WR40X1721
202GEN WR40X1715
206GEN WR71X1888
207GEN WR02X4676
208GEN WR02X4674
209GEN WR38X1952
211GEN WR21X0188
212GEN WR17X3241
214GEN WR14X0455
214GEN WR02X8950
214GEN WR17X3485
214GEN WR01X1332
224GEN WR02X8657
225GEN WR02X8293
225GEN WR01X5042
225GEN WR02X4838
228WR87X28949 GE Refrigerator Evaporator
230GEN WR02X8671
230WR51X442 GE Refrigerator Defrost Heater Assembly
236GEN WR02X4548
237GEN WR02X7036
240WR50X122 GE Refrigerator Defrost Bi-metal Thermostat
247GEN WR17X3483
247GEN WR02X4845
248GEN WR14X0272
251GEN WR02X2880
258GEN WR17X3484
261WR13X10020 GE Refrigerator Door Hinge Assembly with Cam
264WR2X3594 GE Refrigerator Wheel
265GEN WR02X3598
265GEN WR02X4742
265GEN WR02X3595
277GEN WR17X3117
278WHEEL ASM FRT
279GEN WR17X3663
288GEN WR74X0215
293GEN WR02X7080
325WR17X2061 GE Refrigerator Crush Dispenser
326GEN WR01X1585
326WR1X1367D GE Refrigerator Return Package 12
326GEN WR01X1366
328DEFLECTOR ICE DISP
328WR2X4143 GE Refrigerator Pivot
329GEN WR02X6326
345GEN WR17X2760
346HELIX REAR-DISP
346HELIX FRONT-DISP
348GEN WR02X7351
349WR2X4550 GE Refrigerator Drive Cup
350GEN WR17X2740
352GEN WR30X0257
352GEN WR17X2928
353WR2X7905 GE Refrigerator Bucket Seal
360GEN WR71X2444
360GEN WR02X8730
361GEN WR71X2350
362GEN WR02X8839
363GEN WR02X8952
364GEN WR02X7310
365GEN WR02X4854
366GEN WR01X1547
368GEN WR02X8459
370WR01X10618 GE Refrigerator Screw 8-18 TPT 1/4
370WR60X10262 GE Refrigerator Motor Crusher Dispenser
372WR02X11295 GE Refrigerator Auger Motor Boot
375GEN WR23X0194
376GEN WR23X0189
387GEN WR17X3245
388WR17X10273 GE Refrigerator Door Ice Storage
388GEN WR38X1497
395GEN WR17X2904
423GEN WR02X6347
435WR2X9391 GE Socket and Terminal
435RANGE ONLY 40W 120V APPL BULB
446GEN WR13X0647
447GEN WR02X8262
450GEN WR02X4194
452NUTSTRIP HINGE
452SHIM HINGE BTM.
456GEN WR40X1716
554GEN WR01X1483
560GEN WR01X1249
560GEN WR01X1806
564GEN WR01X1194
578WZ2X464D GE Screw
608WR23X427 GE Refrigerator Freezer Light Switch
610GEN WR60X0188
612GEN WR02X8549
613WR60X114 GE Refrigerator Evaporator Motor Fan Blade
615GEN WR02X7391
820GEN WR30X0306