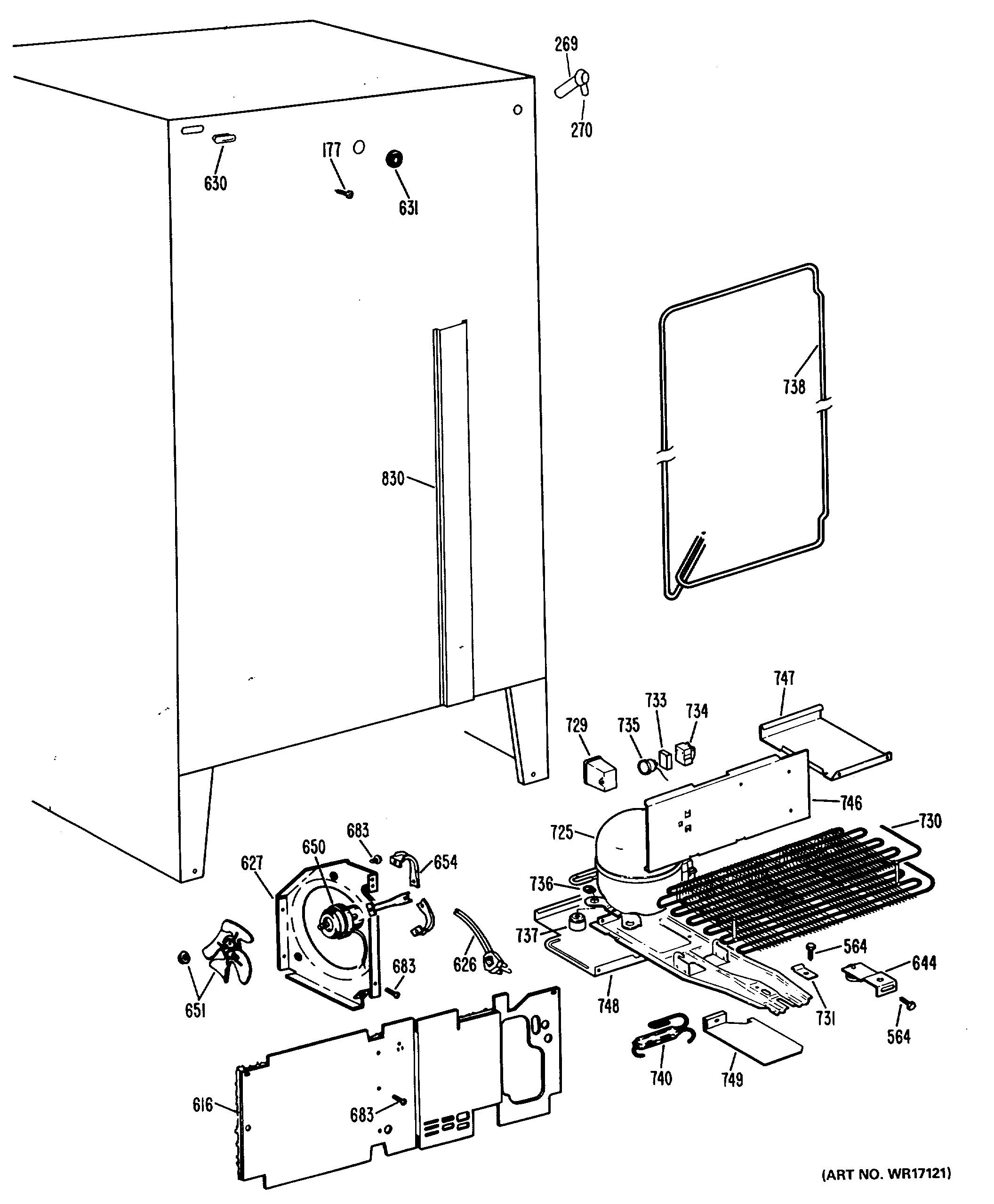
| 177 | SCREW |
| 269 | GEN WR02X6087 |
| 270 | WR2X8474 GE Fill Tube |
| 270 | GEN WR02X3248 |
| 564 | GEN WR01X1194 |
| 616 | GEN WR82X0291 |
| 626 | WR1X5278 GE Refrigerator Cable Clamp |
| 626 | WR23X10300 GE Refrigerator Power Cord Assembly |
| 627 | BAFFLE AIR COND FAN |
| 630 | WR2X4097 GE Button Plug |
| 631 | GEN WR02X4829 |
| 631 | GEN WR02X4968 |
| 644 | TONGUE ASM |
| 644 | GEN WR02X2375 |
| 650 | WR60X187 GE Refrigerator Condenser Fan Motor |
| 651 | GEN WR60X0117 |
| 651 | WASHER COND MTR |
| 651 | GEN WR01X1515 |
| 654 | GEN WR02X7106 |
| 683 | SCREW FAN MTR/BRKT |
| 725 | WR87X10082 GE Refrigerator Compressor Replacement Kit |
| 729 | WR55X24065 GE Refrigerator Kit Capacitor 15 UF |
| 730 | GEN WR84X0138 |
| 731 | GEN WR02X4850 |
| 733 | WR07X26748 GE Start Relay WB07X26748 |
| 734 | GEN WR02X7928 |
| 734 | GEN WR02X7929 |
| 735 | GEN WR08X0096 |
| 736 | GEN WR02X8203 |
| 737 | GEN WR02X7238 |
| 738 | GEN WR84X0110 |
| 738 | WR2X7064 GE Refrigerator Condenser Clip |
| 740 | WR86X25269 GE Refrigerator R134 Dryer |
| 746 | GEN WR14X0313 |
| 746 | GEN WR17X2006 |
| 747 | GEN WR17X2344 |
| 748 | BAFFLE COMP. FLR. |
| 748 | GEN WR17X2345 |
| 749 | GEN WR17X2338 |
| 830 | GEN WR17X2602 |