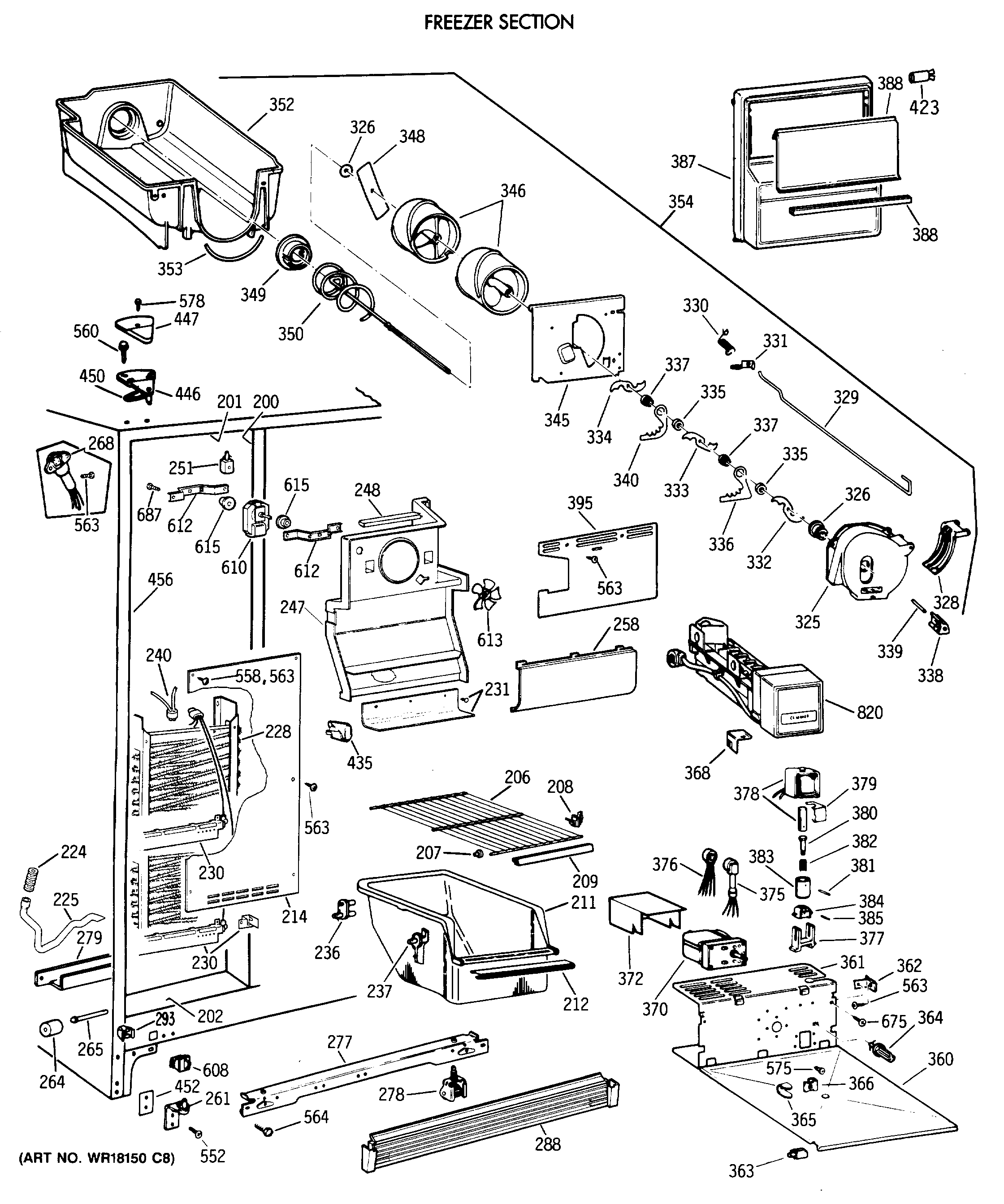
MSX22GRXAWW FREEZER SECTIONadmin2025-04-26T09:58:56+00:00MSX22GRXAWW FREEZER SECTION ProductsPositionProduct200GEN WR40X1741201GEN WR40X1742202GEN WR40X1743206GEN WR71X1888207GEN WR02X4676208GEN WR02X4674209GEN WR38X2217211GEN WR21X0180212GEN WR17X4036214GEN WR02X8950214GEN WR14X0455214GEN WR17X3919224GEN WR02X8657225GEN WR01X5042225GEN WR02X8293225GEN WR02X4838228WR87X28949 GE Refrigerator Evaporator230GEN WR02X8671230WR51X442 GE Refrigerator Defrost Heater Assembly231GEN WR17X3666231GEN WR01X1987231GEN WR01X2110236GEN WR02X4548237GEN WR02X7036240WR50X122 GE Refrigerator Defrost Bi-metal Thermostat247GEN WR17X3483247GEN WR02X4845248GEN WR14X0272251GEN WR02X2880258GEN WR17X3484261WR13X10020 GE Refrigerator Door Hinge Assembly with Cam264WR2X3594 GE Refrigerator Wheel265GEN WR02X3598265GEN WR02X3595265GEN WR02X4742268GEN WR23X0312277GEN WR17X3136278WHEEL ASM FRT279GEN WR17X3660288GEN WR74X0217293GEN WR02X7080325WR17X2061 GE Refrigerator Crush Dispenser326WR1X1367D GE Refrigerator Return Package 12326GEN WR01X1366326GEN WR01X1585328DEFLECTOR ICE DISP328GEN WR02X4561328WR2X4143 GE Refrigerator Pivot329WIRE ACTUATOR DISP330GEN WR02X4145331GEN WR02X4251332WR17X1361 GE Refrigerator Blades Moving Display333WR17X1362 GE Refrigerator Middle Blade334WR17X1363 GE Refrigerator Blades Moving Display335GEN WR02X4139336GEN WR17X1009337WR2X4138 GE Refrigerator Spacer338WR2X4140 GE Refrigerator Blade Rest339GEN WR02X4141340WR17X2058 GE Refrigerator Dispenser Blade345GEN WR17X2760346HELIX REAR-DISP346HELIX FRONT-DISP348GEN WR02X7351349WR2X4550 GE Refrigerator Drive Cup350GEN WR17X2740352GEN WR30X0257353WR2X7905 GE Refrigerator Bucket Seal354WR17X4310 GE Ice Bucket and Auger Assembly360GEN WR02X8730360GEN WR71X2444361GEN WR71X2350362GEN WR02X8839363GEN WR02X8952364GEN WR02X7310365GEN WR02X4854366GEN WR01X1547368GEN WR02X8459370WR01X10618 GE Refrigerator Screw 8-18 TPT 1/4370WR60X10262 GE Refrigerator Motor Crusher Dispenser372WR02X11295 GE Refrigerator Auger Motor Boot375GEN WR23X0194376GEN WR23X0189377WR2X7309 GE Refrigerator Solenoid Cushion381WR62X23154 GE Refrigerator Ice Dispenser Solenoid Kit382WR62X26536 GE Refrigerator Armature Kit387GEN WR17X4028388WR17X10273 GE Refrigerator Door Ice Storage388GEN WR38X1497395GEN WR17X2904423GEN WR02X6347435WR2X9391 GE Socket and Terminal435RANGE ONLY 40W 120V APPL BULB446GEN WR13X0647447GEN WR02X8262450GEN WR02X4194452SHIM HINGE BTM.