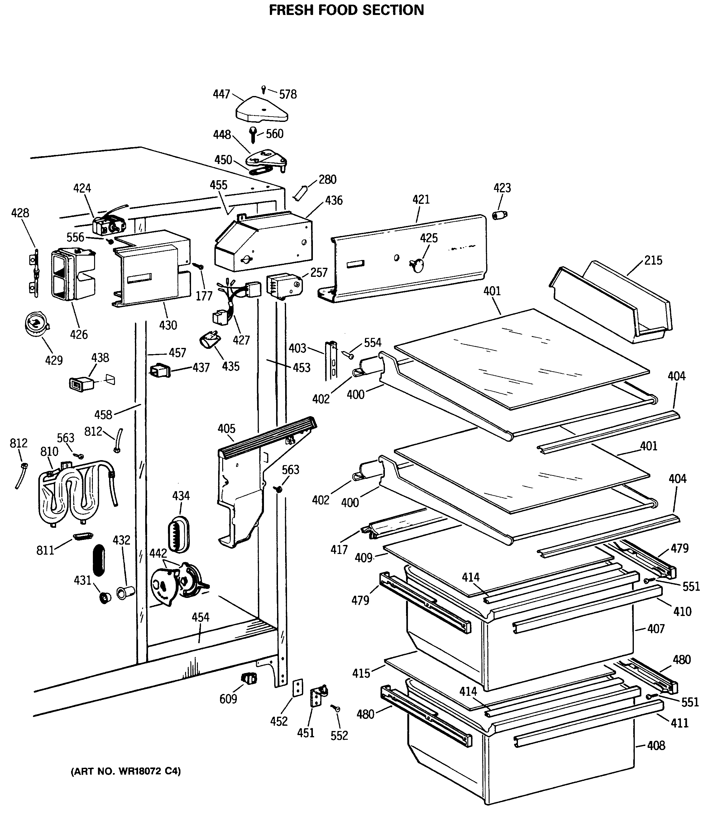
MSX24GRSMWH FRESH FOOD SECTION