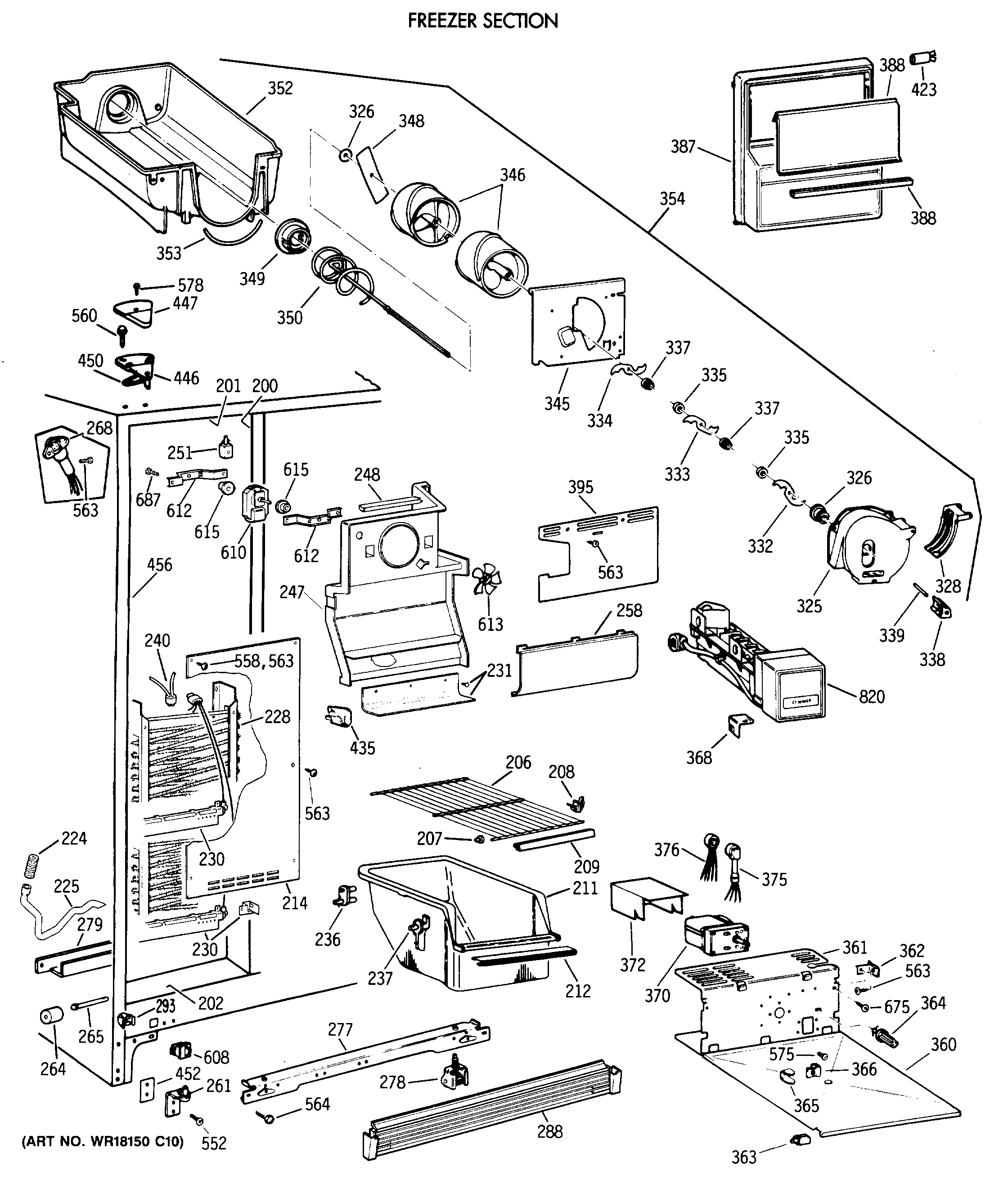
MSX24KWXAWH FREEZER SECTION

MSX24KWXAWH FREEZER SECTION

Products

PositionProduct
200GEN WR40X1752
201GEN WR40X1753
202GEN WR40X1754
206WR71X1936 GE Freezer Wire Shelf
207GEN WR02X4676
208GEN WR02X4674
209GEN WR38X2218
211GEN WR21X0204
212GEN WR17X4040
214GEN WR14X0455
214GEN WR17X3930
214GEN WR02X8950
224GEN WR02X8657
225GEN WR02X4838
225GEN WR02X8293
225GEN WR01X5042
228WR87X29147 GE Refrigerator 25' Evaporator
230GEN WR02X8647
230WR51X443 GE Refrigerator Defrost Heater with Bi-metal
231GEN WR01X2110
231GEN WR17X3651
231GEN WR01X1987
236GEN WR02X4548
237GEN WR02X7036
240WR50X122 GE Refrigerator Defrost Bi-metal Thermostat
247GEN WR17X3488
247GEN WR02X4845
248GEN WR14X0272
251GEN WR02X2880
258GEN WR17X3489
261WR13X10020 GE Refrigerator Door Hinge Assembly with Cam
264WR2X3594 GE Refrigerator Wheel
265GEN WR02X3595
265GEN WR02X3598
265GEN WR02X4742
268GEN WR23X0312
277GEN WR17X2113
278WHEEL ASM FRT
279GEN WR17X3661
288GEN WR74X0199
293GEN WR02X7080
325WR17X2061 GE Refrigerator Crush Dispenser
326WR1X1367D GE Refrigerator Return Package 12
326GEN WR01X1366
326GEN WR01X1585
328GEN WR02X4561
328DEFLECTOR ICE DISP
328WR2X4143 GE Refrigerator Pivot
332WR17X1361 GE Refrigerator Blades Moving Display
333WR17X1362 GE Refrigerator Middle Blade
334WR17X1363 GE Refrigerator Blades Moving Display
335GEN WR02X4139
337WR2X4138 GE Refrigerator Spacer
338WR2X4140 GE Refrigerator Blade Rest
339GEN WR02X4141
345PLATE FRONT DISP
346HELIX REAR-DISP
346HELIX FRONT-DISP
348GEN WR02X7351
349WR2X4550 GE Refrigerator Drive Cup
350GEN WR17X2740
352WR30X256 GE Refrigerator Ice Dispenser
353WR2X7905 GE Refrigerator Bucket Seal
354GEN WR17X3685
360GEN WR71X2465
360GEN WR02X4566
361GEN WR71X2353
362GEN WR02X8839
363GEN WR02X8952
364GEN WR02X7310
365GEN WR02X4854
366GEN WR01X1547
368GEN WR02X8459
370WR01X10618 GE Refrigerator Screw 8-18 TPT 1/4
370WR60X10262 GE Refrigerator Motor Crusher Dispenser
372WR02X11295 GE Refrigerator Auger Motor Boot
375GEN WR23X0194
376GEN WR23X0189
387GEN WR17X4037
388GEN WR38X1524
388GEN WR17X2874
395GEN WR17X2905
423GEN WR02X6347
435RANGE ONLY 40W 120V APPL BULB
435WR2X9391 GE Socket and Terminal
446GEN WR13X0647
447GEN WR02X8262
450GEN WR02X4194
452SHIM HINGE BTM.
452NUTSTRIP HINGE
456GEN WR40X1755
552GEN WR01X2078
560GEN WR01X2081
564GEN WR01X1194
578WZ2X464D GE Screw
608WR23X427 GE Refrigerator Freezer Light Switch
610GEN WR60X0188
612GEN WR02X8549
613WR60X114 GE Refrigerator Evaporator Motor Fan Blade
615GEN WR02X7391
820WR30X10093 GE Refrigerator Ice Maker