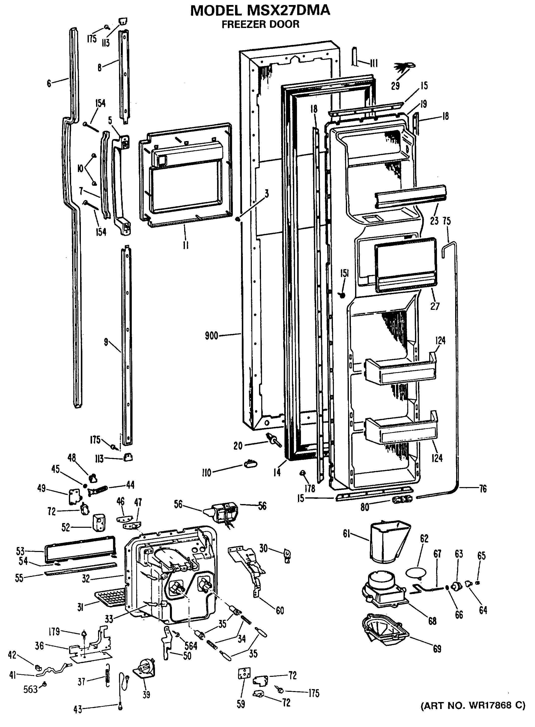
MSX27DMA FREEZER DOOR