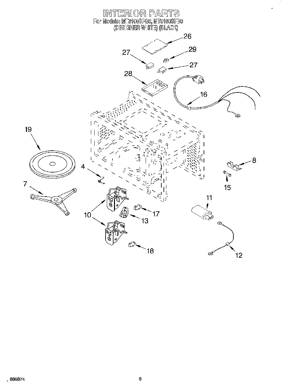
| 4 | Spring |
| 7 | Turntable |
| 8 | Case, Fuse |
| 10 | 8205572 Whirlpool Microwave Interlock |
| 11 | 8206562 Whirlpool Microwave Capacitor MG |
| 12 | W11256462 Whirlpool Microwave Diode |
| 13 | Plate, Cam |
| 15 | FUSE-THRML |
| 16 | Power Cord |
| 17 | W10211974 Whirlpool Microwave Door Interlock Micro Switch |
| 18 | W10269458 Whirlpool Microwave Door Switch |
| 19 | Tray, Glass |
| 26 | Lid |
| 27 | W10211972 Whirlpool Microwave Switch |
| 28 | Cover |
| 29 | Rocker |