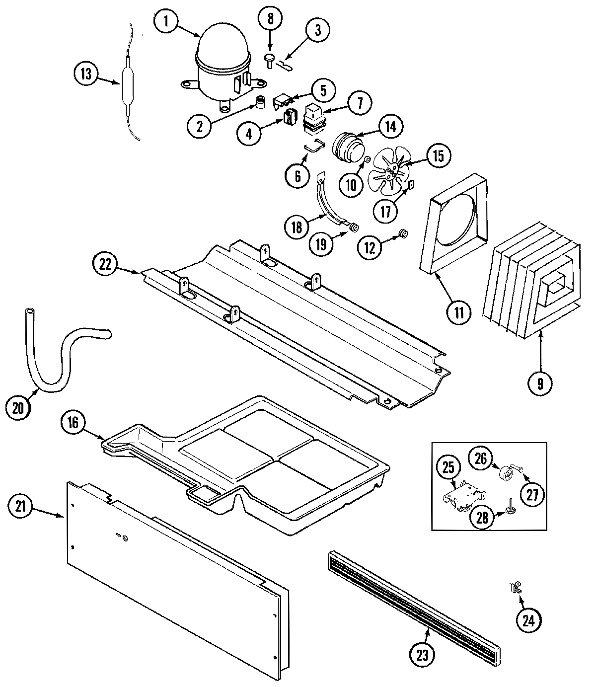
MTB1954DRA 01 – COMPRESSOR