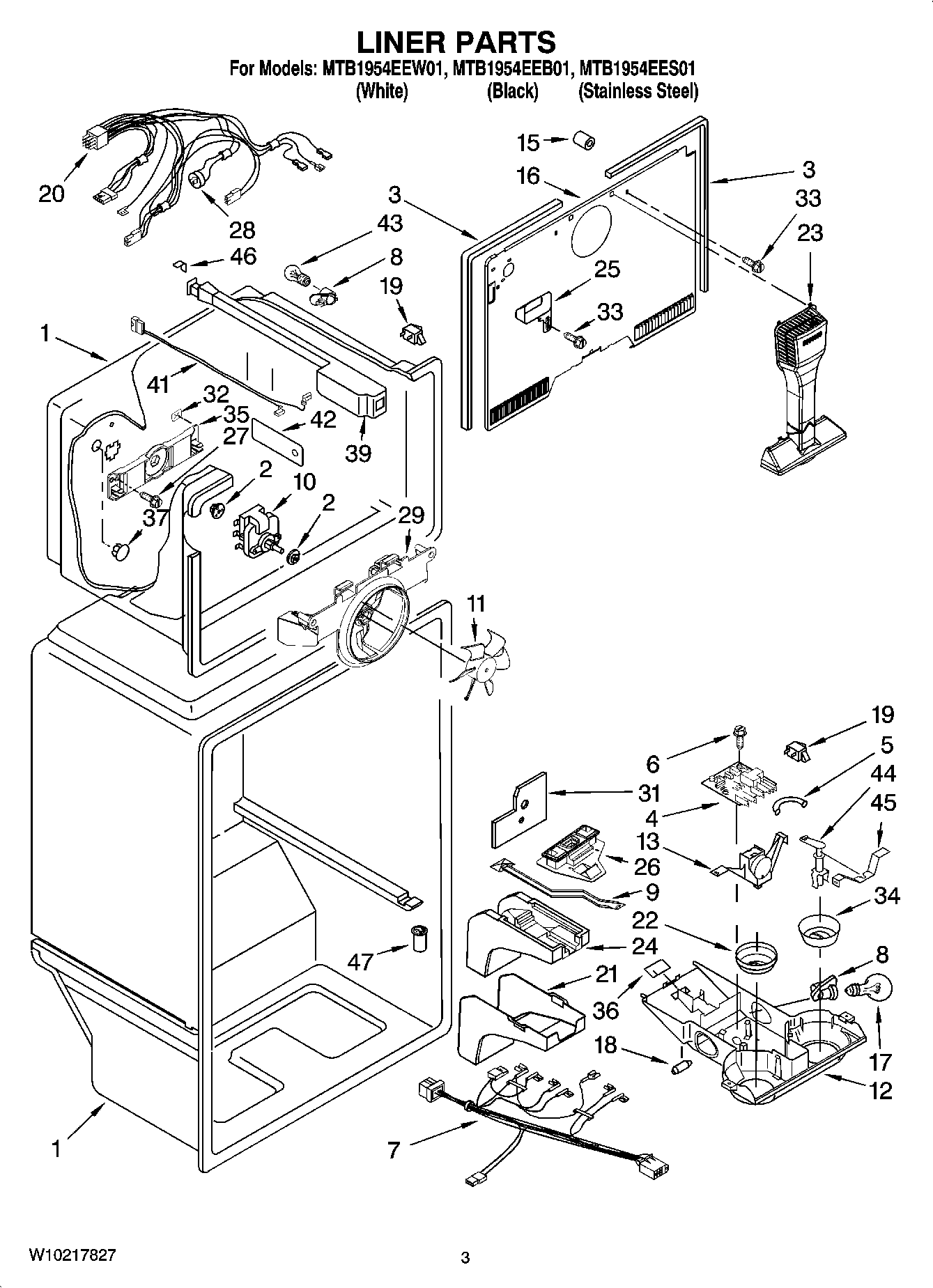
MTB1954EEW01 02 – LINER PARTSadmin2025-04-26T12:08:37+00:00MTB1954EEW01 02 – LINER PARTS ProductsPositionProduct2MAY 21973803MAY 22543594Screw5MAY 22124856MAY 85340097MAY 23100578Socket, Light9MAY 217985810MAY 231553911Fan Blade12MAY 221298213Thermostat Assembly (Includes Illus. 5 & 18)15CAP BUSHING16MAY 232019117MAY 52794918MAY 220083119MAY 111889420MAY W1012979121MAY 217628122MAY 220086323MAY 225435424MAY 218945225MAY 220500326MAY 221039027Screw28MAY 232180029Bracket,31MAY 220463932Retainer-Screw Fan Motor33MAY 48947834MAY 230253635Bracket, Fan Back36MAY 220507937MAY 94183939MAY 230041741MAY 218760142Electrical Shield, Freezer Light43Light Bulb44MAY 217985945MAY 216381046MAY 216628447Valve