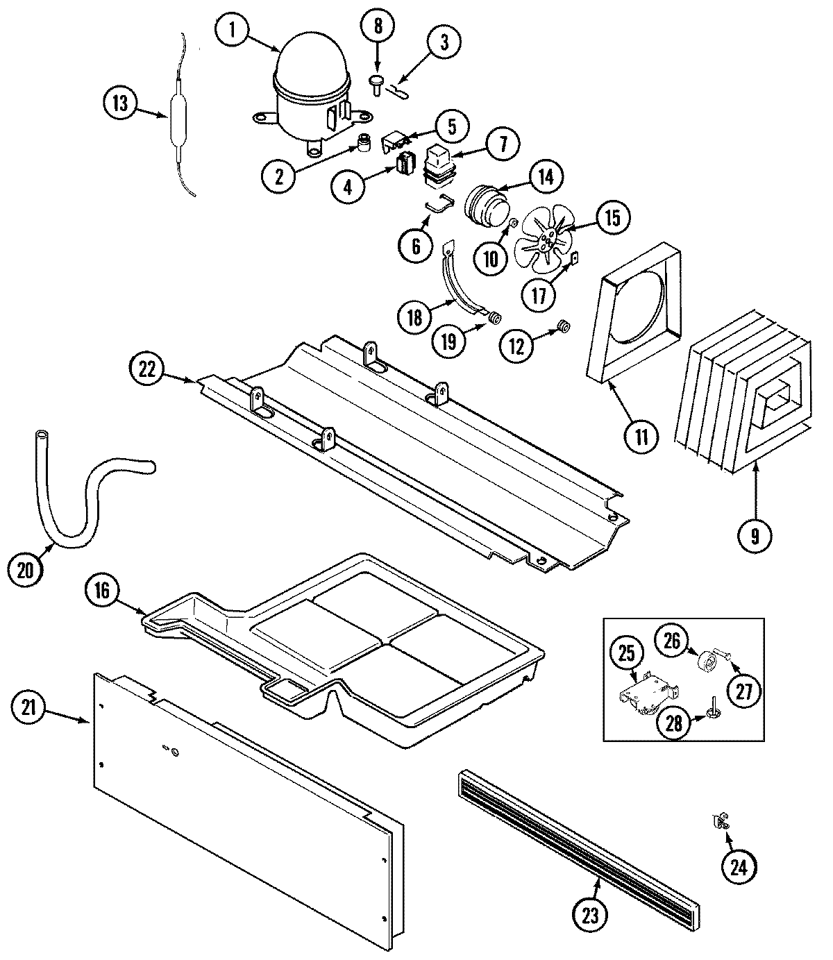
MTB2148DRW 01 – COMPRESSOR