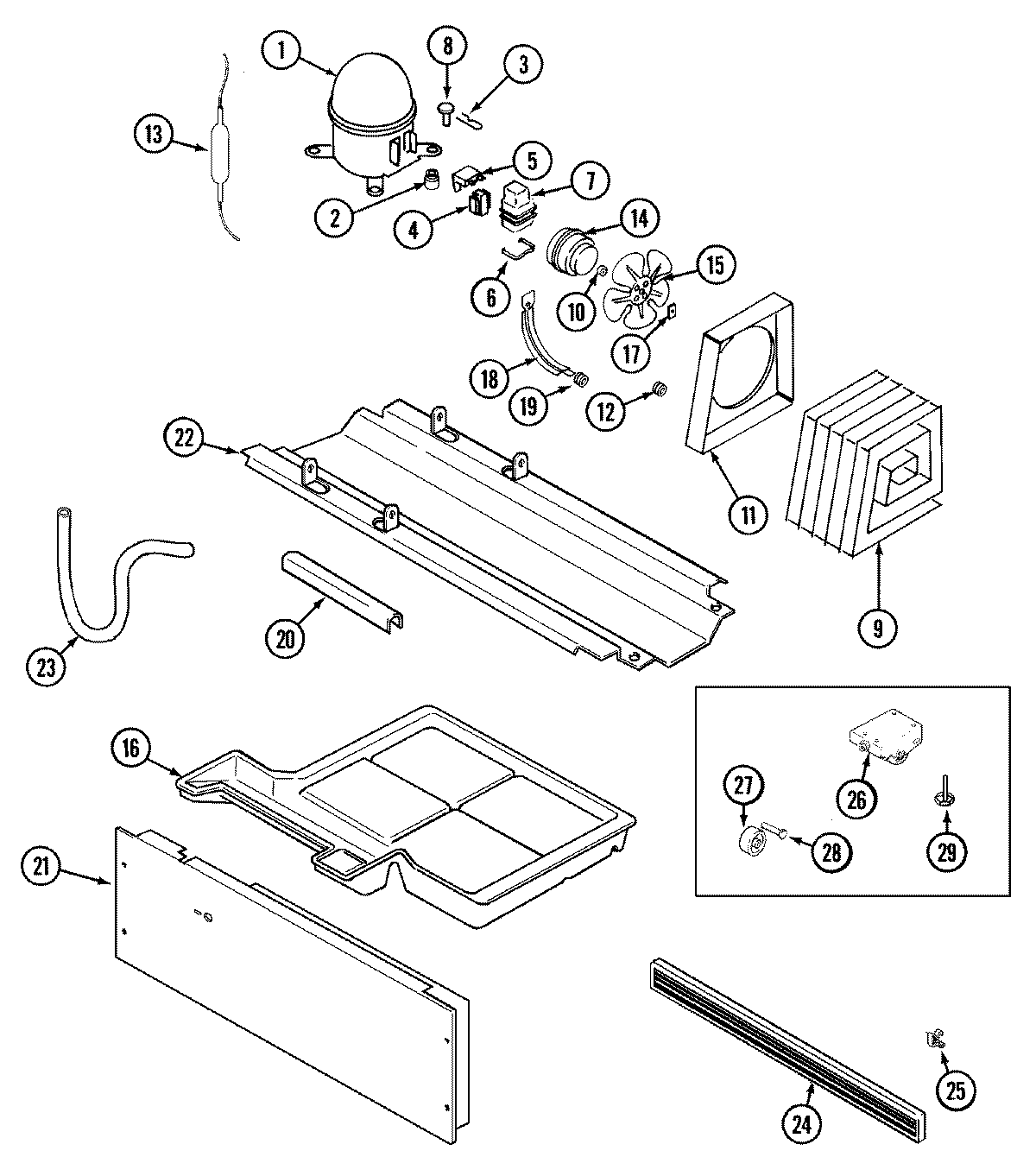
MTB2455ARA 01 – COMPRESSORadmin2025-04-26T12:11:09+00:00MTB2455ARA 01 – COMPRESSOR ProductsPositionProduct1MAY 610020121MAY 120013742MAY 17245-43MAY 52778-24WP10097204 Whirlpool Start Relay5WP2183456 Whirlpool Refrigerator Overload6MAY 610026207MAY 66589-28MAY 52656-29MAY 610020489WP489399 Whirlpool Refrigerator Screw10MAY 6100168611MAY 6100194112MAY 6100203313WPW10143759 Whirlpool Dryer Filter14MAY 6100156214MAY 65275-3315WP12587601 Whirlpool Refrigerator Condenser Blade16MAY 6100264916MAY 6100295817WP486692 Whirlpool Refrigerator Nut18MAY 69181-119MAY 56933-120MAY 6100197421MAY 65275-4921MAY 6100251822MAY 6100251922WP67006715 Whirlpool Refrigerator Screw23MAY 6100221424MAY 6100253725MAY 6100197526SCREW26MAY 6100206627MAY 6100210328WP61002104 Whirlpool Refrigerator Pin Wheel29MAY 6100201430MAY 1200149231MAY 6100251632MAY 16008248