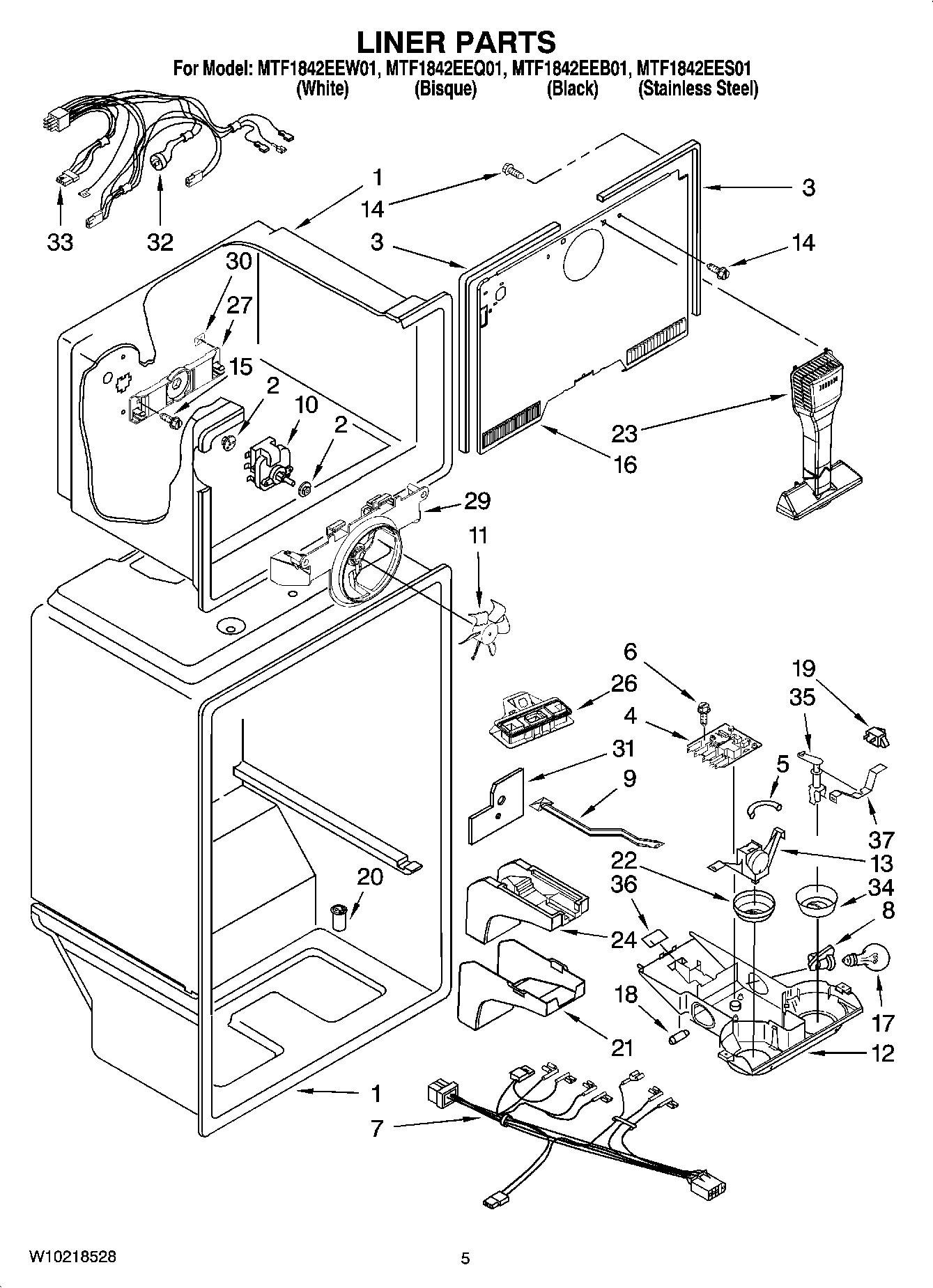
MTF1842EEB01 03 – LINER PARTSadmin2025-04-26T12:11:48+00:00MTF1842EEB01 03 – LINER PARTS ProductsPositionProduct2MAY 21973803MAY 22543594Screw5MAY 22124856MAY 85340097MAY 23100578Socket, Light9MAY 217985810MAY 221498611Fan Blade12MAY 221298213Thermostat Assy. (Includes Illus. 5 & 18)14MAY 48947815Screw16MAY 232019217MAY 52794918MAY 220083119MAY 111889420Valve21MAY 217628122MAY 220086323MAY 225435424MAY 218945226MAY 221039027Bracket, Fan Back29Bracket,30Retainer-Screw Fan Motor31MAY 220463932MAY 232180033Wire Assembly, Frzr. Compartment (Includes Illus. 28)34MAY 230253635MAY 217985936MAY 220507937MAY 2163810