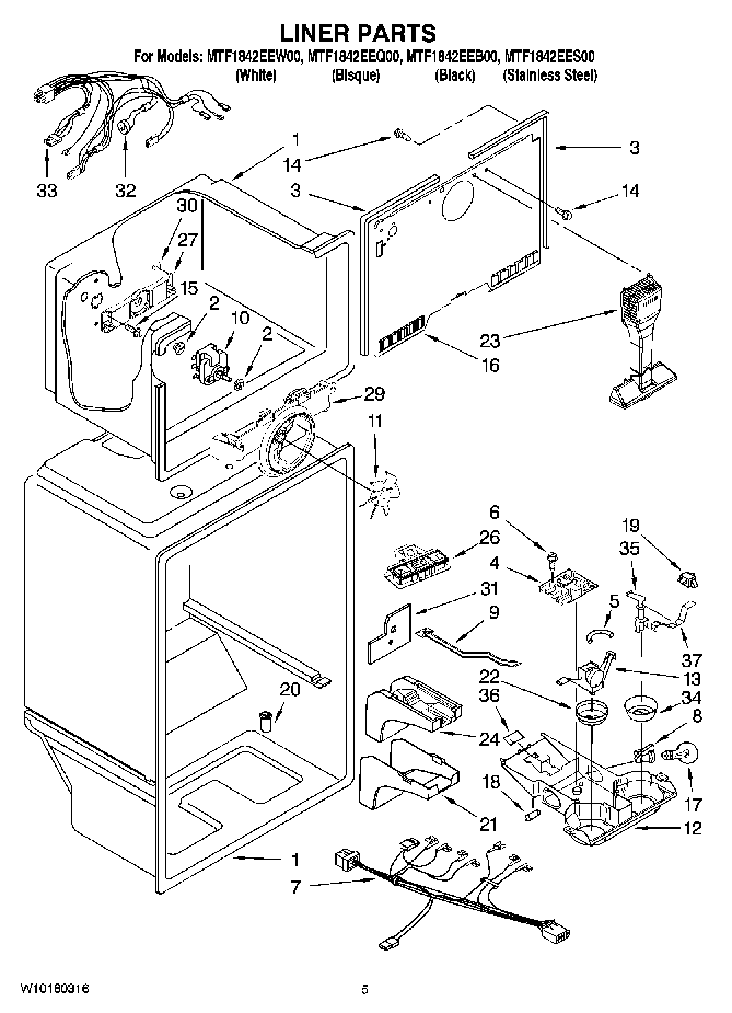
MTF1842EEW00 03 – LINER PARTSadmin2025-04-26T12:12:11+00:00MTF1842EEW00 03 – LINER PARTS ProductsPositionProduct2MAY 21973803MAY 22543594Screw5MAY 22124856MAY 85340097MAY 23100578Socket, Light9MAY 217985810MAY 231553911Fan Blade12MAY 221298213Thermostat Assy. (Includes Illus. 5 & 18)14MAY 48947815Screw16MAY 232019217MAY 52794918MAY 220083119MAY 111889420MAY 221050921MAY 217628122MAY 220086323MAY 225435424MAY 218945226MAY 221039027Bracket, Fan Back29Bracket,30Retainer-Screw Fan Motor31MAY 220463932MAY 232180033MAY W1012979134MAY 230253635MAY 217985936MAY 220507937MAY 2163810