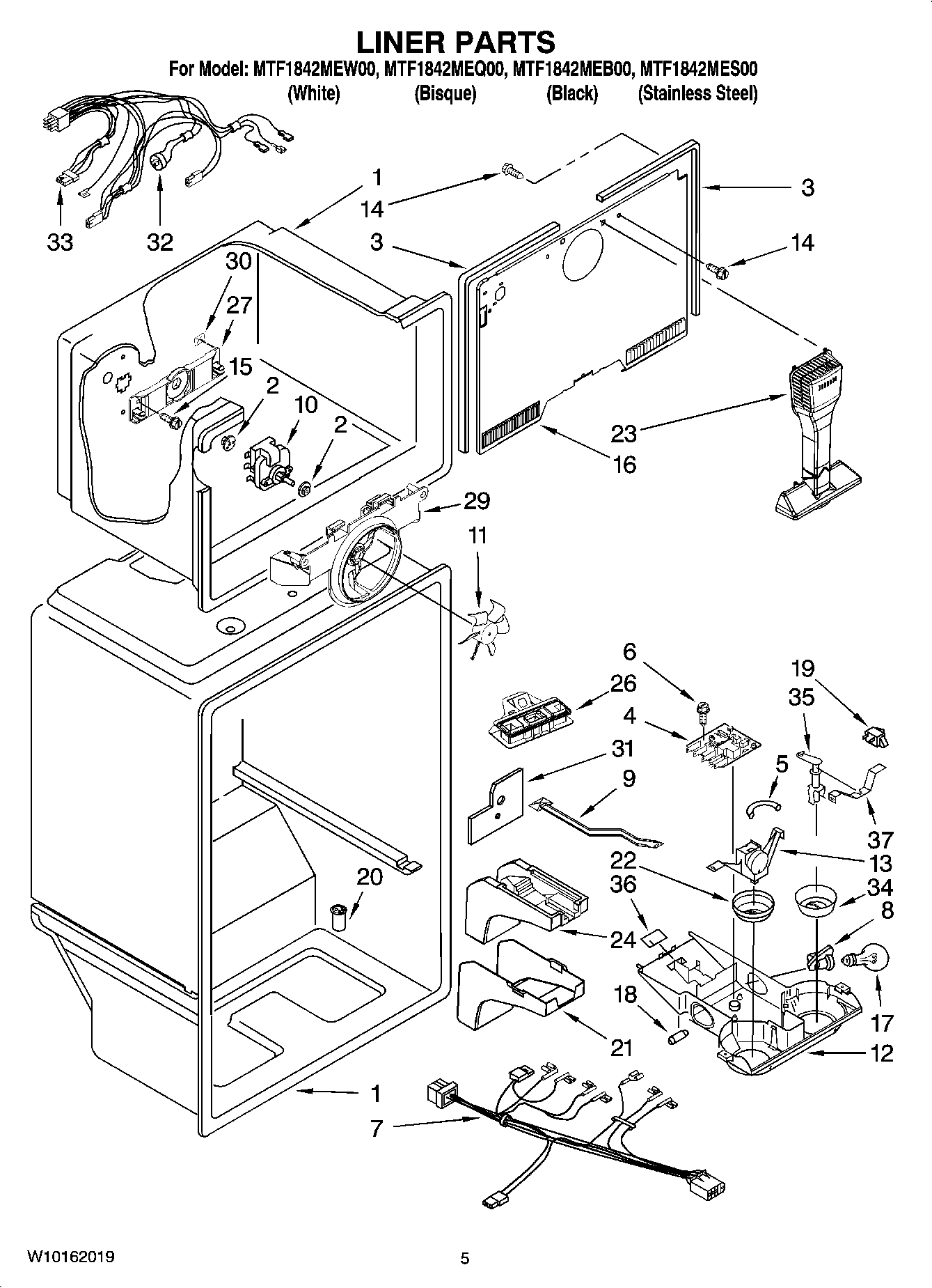
MTF1842MES00 03 – LINER PARTS