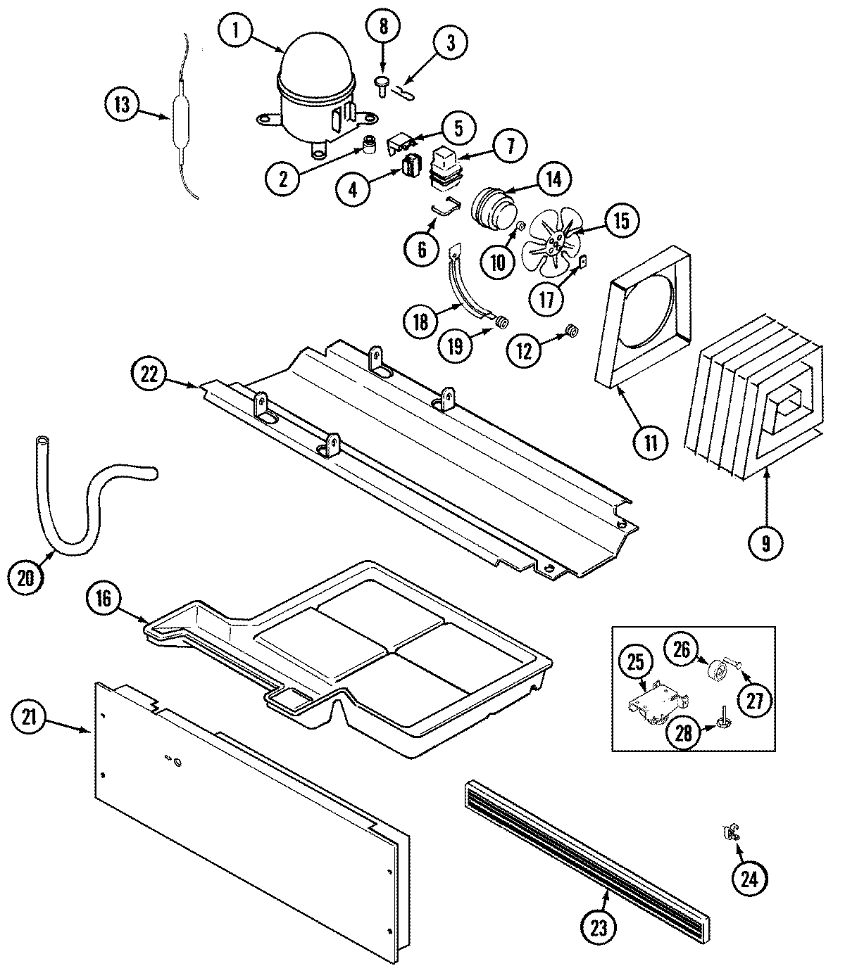
MTF1955DRQ 01 – COMPRESSOR (BISQUE)admin2025-04-26T12:12:05+00:00MTF1955DRQ 01 – COMPRESSOR (BISQUE) ProductsPositionProduct1MAY 120013741MAY 610020122MAY 17245-43MAY 610030994WP10097204 Whirlpool Start Relay5WP2183456 Whirlpool Refrigerator Overload6MAY 65886-17MAY 66589-18MAY 52656-29MAY 610043789MAY 6100281110MAY 6100168611MAY 6100194112MAY 6100203313WPW10143759 Whirlpool Dryer Filter14MAY 65275-3314MAY 6100101615MAY 60683-116MAY 6100195516WP489478 Whirlpool Refrigerator Screw17WP486692 Whirlpool Refrigerator Nut18MAY 69181-119GROMMET, BRACKET20MAY 6100221421MAY 65275-521MAY 6100465421MAY 65275-122MAY 6100232722WP67006715 Whirlpool Refrigerator Screw23MAY 6100501124MAY 6100197525MAY 6100197825SCREW26WP61003826 Whirlpool Wheel27WP61002104 Whirlpool Refrigerator Pin Wheel28MAY 6100201429MAY 6100471130MAY 16008248