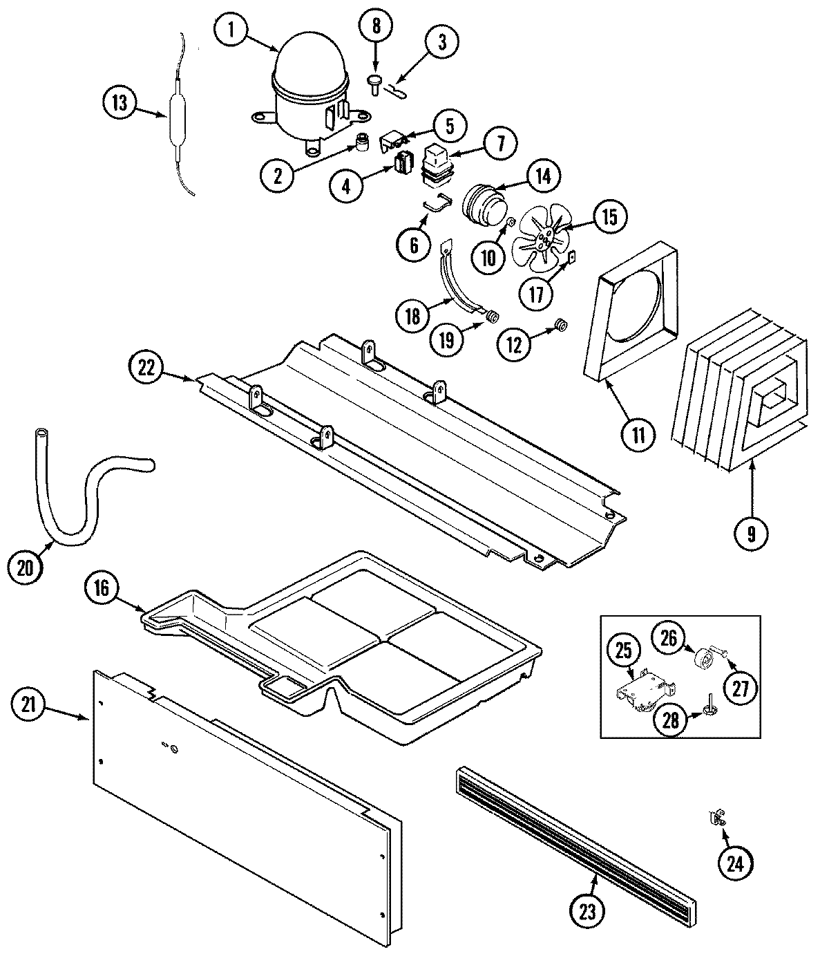
MTF1955ERW 01 – COMPRESSORadmin2025-04-26T12:14:55+00:00MTF1955ERW 01 – COMPRESSOR ProductsPositionProduct1MAY 610020121MAY 120018141MAY 120013742MAY 17245-42WP4387558 Whirlpool Refrigerator Compressor Grommet3MAY 610030994WP10097204 Whirlpool Start Relay4MAY 610052505MAY 610020375WP2183456 Whirlpool Refrigerator Overload6MAY 65886-17MAY 66589-17WP61002138 Whirlpool Refrigerator Terminal Cover8MAY 52656-29MAY 6100281110MAY 6100168611MAY 6100194112MAY 6100203313WPW10143759 Whirlpool Dryer Filter14MAY 6100101614MAY 65275-3315MAY 60683-116WP489478 Whirlpool Refrigerator Screw16MAY 6100195517WP486692 Whirlpool Refrigerator Nut18MAY 69181-119GROMMET, BRACKET20MAY 6100221421MAY 65275-521MAY 65275-121MAY 6100465422WP67006715 Whirlpool Refrigerator Screw22MAY 6100232722MAY 6100527223MAY 6100242724MAY 6100197525SCREW25MAY 6100197825MAY 6100521626WP61003826 Whirlpool Wheel27WP61002104 Whirlpool Refrigerator Pin Wheel28MAY 6100201429MAY 1200149230MAY 6100471131MAY 16008248