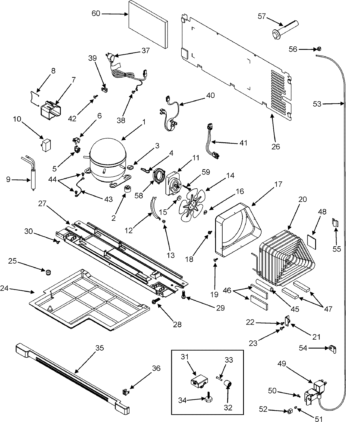
MTF2195AEQ 01 – COMPRESSORadmin2025-04-26T12:12:30+00:00MTF2195AEQ 01 – COMPRESSOR ProductsPositionProduct1W10309989 Whirlpool Refrigerator Compressor2MAY 630010063MAY 630010074MAY 630010087MAY 630010138MAY 630010149WPW10143759 Whirlpool Dryer Filter10MAY 6300100511MAY 6300124112MAY 6300102012MAY 6300109213MAY 6300101714MAY 6300101815MAY 6300124416MAY 6300157717MAY 6300101518MAY 6300109419MAY 6300109320MAY 6300178921MAY 6300102324MAY 6300157325MAY 6300102226MAY 6300109926MAY 6300157427SEE NOTE GROUND WIRE, GREEN28MAY 6300125129MAY 6300125231MAY 6300144331MAY 5600121032MAY 6300100133MAY 6300100234MAY 6300102535MAY 6300157936MAY 6300135137MAY 6300157039MAY 6300134640MAY 6300101241MAY 6300124042MAY 6300157243MAY 6300101144MAY 6300157145MAY 6300142446MAY 6300142547MAY 6300142648MAY 6300142749WP61005273 Whirlpool Refrigerator Inlet Valve50MAY 6100281951WP487627 Whirlpool Refrigerator Sleeve52WP245183 Whirlpool Nut53MAY 67579-2654W10833902 Whirlpool Refrigerator Clamp55MAY 6100491356WPM0114003 Whirlpool Microwave Speed Clip Clamp57MAY 6100594058MAY 6300124259MAY 6300124360MAY 63001560