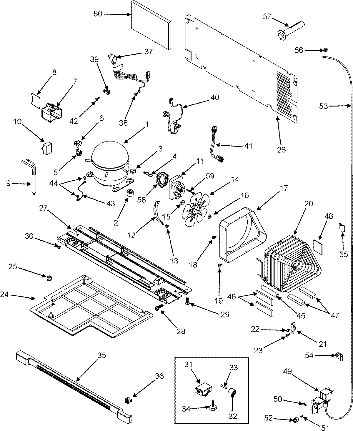
MTF2196AEB 01 – COMPRESSOR