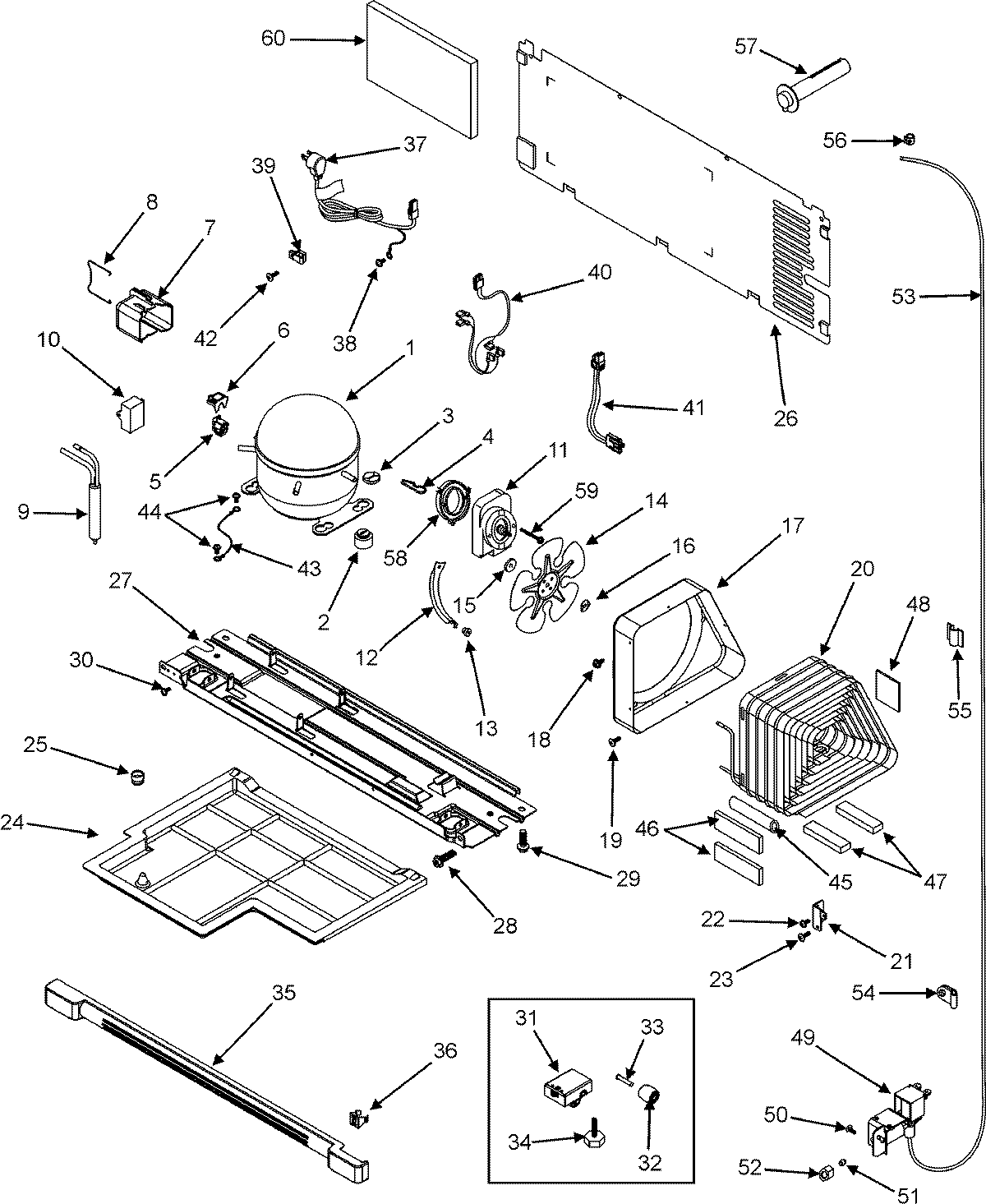
MTF2196AES 01 – COMPRESSOR